特性
- 前Riedon产品
- Manganin电阻元件
- 无感金属元件
- 中心安装电压抽头
- 大额定电流
- 低电阻值
- 额定标准容差:0.25%
- 设计紧凑,适用于空间受限的应用
- 通过UL认证,符合RoHS标准
应用
- BMS
- 电源
- 电源转换器(交流/直流)
- 太阳能发电机、风力发电
- 电池充电器
- 重工业
- 电镀
- 采矿
规范
- 5 A至200 A额定电流范围
- 工作电流范围:3.33 A至133.33 A
- 电阻范围:0.25mΩ至10mΩ(输出为50mV时)
- 额定输出:50mV
- TCR:15ppm至20ppm
- 工作温度范围:-40 °C至+70 °C
- 储存温度范围:-55°C至+80°C
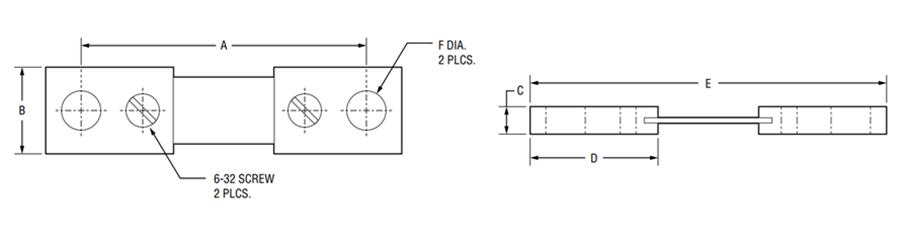
机械图
发布日期: 2024-08-26
| 更新日期: 2024-08-26

