另外,SC系列小型可复位TCO器件设计用于耐受潮湿环境,采用高度耐腐蚀的双金属机制。这些器件具有过热保护 (OTP) 和过流保护 (OVP) 特性以及各种温度选项。该器件主要用于智能手机和USB 3.1 Type C电缆中的电池单元保护。
特性
- 小型热熔断路器
- 主体尺寸小,带表面贴装选项
- 过热和过流保护
- 几乎可以立即控制异常及过流情况(达到额定限值)
- 宽温度范围
- 高度耐腐蚀
- 有薄型和高承受力高度选项可供选择
- 符合RoHS指令
应用
- 为以下设备提供电池保护:
- 笔记本电脑
- 平板电脑
- 智能手机
- 为以下设备提供过热保护:
- USB Type C电缆(智能手机电缆、笔记本电脑交流适配器)
- 电子香烟
产品结构和电路图
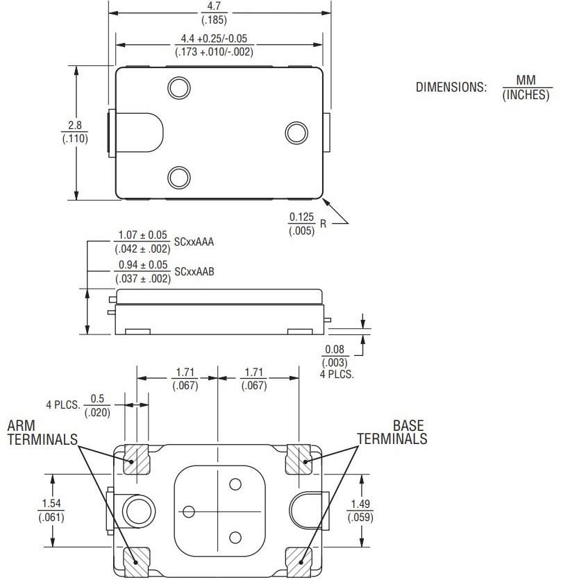
产品尺寸
发布日期: 2019-02-13
| 更新日期: 2023-03-16

