特性
- 微型TCO器件
- 表面贴装,占位面积小
- 过温和过电流保护
- 可几乎瞬时控制异常及过量电流(达额定极限)
- 宽范围的温度选项
- 高耐腐蚀性
- 支持USB PD 240W(48V/5A)规格
应用
- 超温保护
- USB Type-C电缆(最大功率240W)
- 智能手机
- 笔记本电脑
- 加热器
- 电池单元保护
- 可穿戴设备
- 便携式设备
规范
- 跳闸温度范围为+72 ±5°C至+85 ±5°C
- 最小重置温度为+40°C
- +25°C时最大漏电流为200mA
- 触点额定负载为9VDC/25A,6000次循环
- 最大电压为54VDC/5A,100次循环
- 最小保持电压
- +25°C下3V,1分钟
- +25°C下5V,1分钟
- 最大电阻:5 mΩ
电路图
产品结构
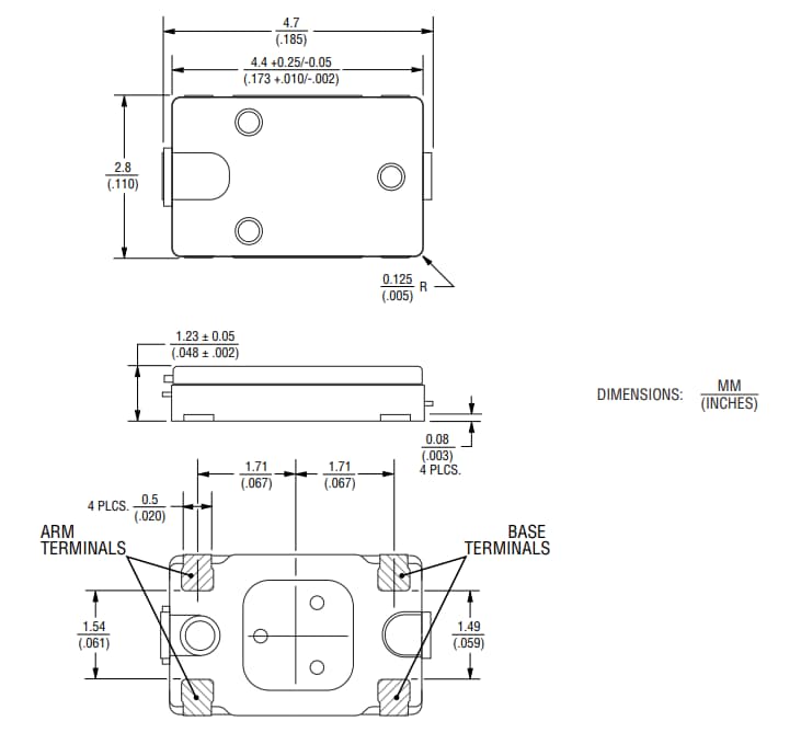
尺寸
发布日期: 2026-01-12
| 更新日期: 2026-01-19

