特性
- 符合IEEE 802.3以太网标准
- 兼容性
- 10G Base-T,用于SM453230-121N7YP
- 1G/2.5G/5G Base-T,用于SM453230-231N7YP
- 支持PoE+
- 分立式变压器和共模片式电感器,可实现灵活的PCB布局
- 配对的共模片式电感器,可降低EMI
- SRF2012-900YA,用于SM453230-121N7YP
- SRF2012A-801Y,用于SM453230-231N7YP
- 温度范围:-40°C至+85°C
- 无卤,符合RoHS指令
规范
- SM453230-121N7YP
- 电感:120µH(100kHz、0.1V、0mA时)
- 匝数比:±3%
- 插入损耗:-2.0dB(1MHz至500MHz时典型值),- 3.0dB(最大值)
- 电容:21pF(典型值)
- POE+:700 mA
- 耐压:1500VAC,持续60秒
- SM453230-231N7YP
- 电感
- 230µH(100kHz、0.1V、0mA时)
- 200µH(100kHz、0.1V、15mA时)
- 匝数比:±3%
- 插入损耗:-1.5dB(1MHz至250MHz时典型值),-2.3dB(最大值)
- 电容:35pF(典型值)
- POE+:700 mA
- 耐压:1500VAC,持续60秒
- 电感
电气原理图
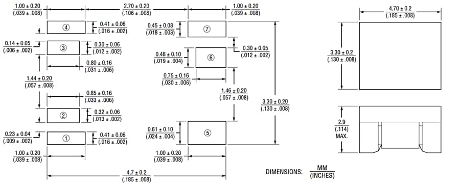
尺寸
发布日期: 2021-12-07
| 更新日期: 2024-06-19

