Bourns SM91074AL AEC-Q200 LAN 10/100 Base-T变压器

Bourns SM91074AL LAN 10/100 Base-T变压器是单端口LAN 10/100 Base-T/隔离变压器模块,设有共模扼流圈,可用于以太网应用中的噪声抑制。Bourns SM91074AL LAN变压器具有1500Vrms隔离电压,扩展工作温度范围为-40°C至+125℃。这些LAN变压器符合AEC-Q200标准和RoHS指令。

特性

  • 设计用于符合IEEE 802.3u (100 Base-T) 规范
  • 工作温度范围:-40°C至+125°C
  • 1500Vrms隔离电压
  • 符合RoHS指令
  • 符合AEC-Q200标准

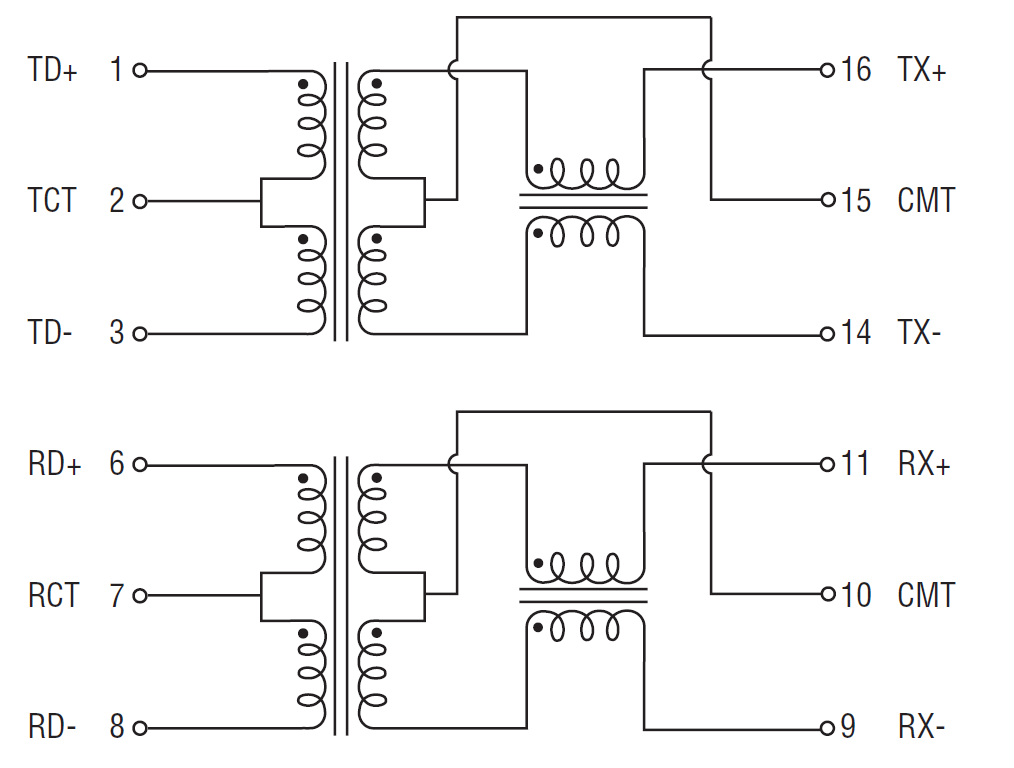
电气原理图

原理图 - Bourns SM91074AL AEC-Q200 LAN 10/100 Base-T变压器
发布日期: 2018-10-24 | 更新日期: 2022-11-17