Bourns SM91604L LAN千兆位以太网变压器

Bourns SM91604L LAN千兆位以太网变压器是一款单端口变压器,设计用于通过增强型绝缘满足千兆位以太网通信要求。该变压器具有0.35μH最大漏电感 (100kHz/0.1V) 4680VDC隔离电压、800V工作电压和8mm最小爬电距离。SM91604L变压器的工作温度范围为-40°C to 105°C,符合RoHS指令。该变压器包括用于以太网应用噪声抑制的共模扼流圈。SM91604L变压器用于白色家电和工业4.0应用。

特性

  • 设计用于满足千兆位以太网要求
  • 工作电压:800V
  • 8mm最小爬电和间隙
  • 最大漏电感 (100kHz/0.1V):0.35μH
  • 耐压:4680VDC
  • 工作温度范围:-40°C至+105°C
  • 湿度灵敏性等级 (MSL-1)
  • 增强型绝缘,符合IEC 60664-1和IEC 62368-1标准
  • 符合RoHS指令

应用

  • 白色家电
  • 工业4.0

机械图

机械图纸 - Bourns SM91604L LAN千兆位以太网变压器

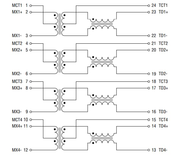
电气原理图

原理图 - Bourns SM91604L LAN千兆位以太网变压器
发布日期: 2023-10-19 | 更新日期: 2023-11-02