特性
- 24位隔离式分流电流传感器,设有CAN总线或RS-485/MODBUS接口
- 额定电流:100A至1000A(2kA至20kA峰值)
- 增强型电气隔离:1500VDC
- 容差:0.1%
- 16位150°C微控制器
- 24位ADC,带缓冲模拟输入
- ECC闪存,具有自动校正单位误差
- 内部和外部CRC数据错误检测
- 先进的非线性温度补偿
应用
- 电池系统
- 电机驱动器
- 可再生能源
- EV充电站
规范
- 标称电流:±100 A
- +2kA/-1kA峰值电流(无削波)
- 分流电阻:300μΩ(不包括一次侧端接电阻)
- 5 kHz 带宽
- 在整个电流范围内的线性度 < ±0.1%="" +="">
- 速度:高达1100rps(单次读取时间0.9ms至3300ms)
- RMS电介质强度:3500VAC(1分钟)
视频
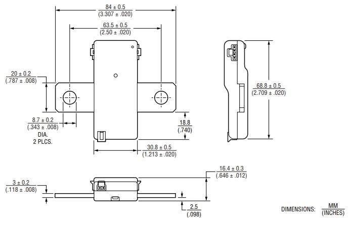
尺寸
数据手册
发布日期: 2024-06-28
| 更新日期: 2026-01-28

