该IC具有0.7mΩ(典型值)内部导体电阻、低噪声模拟信号路径,以及极其稳定的输出失调电压。这些电流传感器IC采用5V单电源供电,工作温度范围为-40°C至+110°C。ACHS-719x IC采用紧凑型表面贴装SO-8封装,符合全球监管安全标准。典型应用包括电动自行车、电机相位/导轨电流检测、太阳能逆变器、充电器/转换器和开关电源。
特性
- 输出电压与AC或DC电流成正比
- 电源电压的比例输出
- 5V单电源操作
- 内部导体电阻:0.7mΩ(典型值)
- 检测电流范围:±10A至±50A
- 输出灵敏度范围:40mV/A至185mV/A
- 低噪声模拟信号路径
- 极其稳定的输出失调电压
- 器件带宽通过滤波器引脚设置,80kHz典型带宽,带1nF滤波电容器
- 经过工厂预设,精度高
- 近零磁滞
- 工作TA 上的最大输出误差为±6.0%
- 共模瞬态抑制:大于25kV/μs
- 工作温度范围:-40 °C至+110 °C
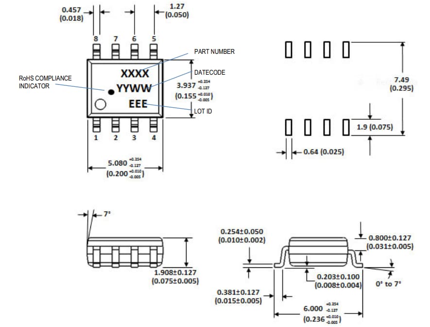
- 小尺寸、薄型SO-8封装
- 通过UL/cUL和IEC/EN 62368-1 (Viorm = 567Vpeak) 认证
- 隔离电压:3kVrms,持续1分钟
应用
- 低功耗逆变器电流检测
- 电动自行车
- 电机相位和供电轨电流检测
- 太阳能逆变器
- 充电器和转换器
- 开关电源
应用电路
尺寸
发布日期: 2020-10-27
| 更新日期: 2024-03-26

