特性
- 8mm爬电距离和电气间隙,采用紧凑型SSO-8封装
- 工作温度范围:-40°C至+125°C
- 光伏驱动器,用于固态继电器应用中的高压MOSFET
- 开路电压:8.2V(典型值,IF=10mA时)
- 短路电流:70µA(典型值,IF=10mA时)
- 逻辑电路兼容性:
- 开关速度:50µs(TON)/23µs(TOFF)(典型值,IF=10mA、CL=1nF时)
- 可配置为各种高压MOSFET产品组合
- 电隔离
- 高输入至输出绝缘电压
- 安全与法规认证
- IEC/EN/DIN EN 60747-5-5,最大工作绝缘电压:1140 VPEAK
- 1分钟5000VRMS,符合UL1577标准
- CSA元件认可
应用
- 固态继电器模块
- 预防涌入电流
- 电池系统中的绝缘电阻测量
- 太阳能光伏逆变器
- EV充电系统
- 电机绕组 绝缘
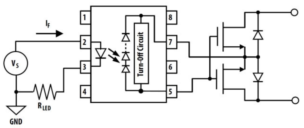
应用电路
发布日期: 2022-02-01
| 更新日期: 2025-02-20

