Broadcom AEAT-901B磁性增量编码器
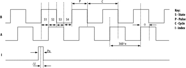
Broadcom AEAT-901B磁性增量编码器提供整个360° 旋转范围内角度检测的集成解决方案。这些编码器采用磁性技术进行运动控制和传感活动,有助于消除机械接触并使器件免受机械磨损。AEAT-901B磁性编码器具有每转256至10,000次循环(CPR)分辨率、-40°C至125°C的宽工作温度范围以及5V单电源。这些磁性编码器还具有3通道输出,为360° 的每一次全旋转或转提供额外的索引通道。AEAT-901B磁性编码器支持 用电缆直接连接输出,容易组装,无需任何信号调整。这些磁性编码器符合RoHS指令,非常适合用于 速度检测、旋钮控制和旋转式编码器。特性
- 分辨率:256至10,000每转计数 (CPR)
- 非接触式检测技术
- 宽工作温度范围:-40 °C至125 °C
- 一个3通道输出
- 5 V 单电源供电
- 易于组装,无需信号调整
- 用电缆直接连接的输出
- 符合RoHS指令
应用
- 速度检测
- 旋钮控制
- 旋转编码器
尺寸图
编码特性
发布日期: 2024-09-05
| 更新日期: 2025-03-13
