AEAT-9955是一套多功能解决方案,能支持各种具有强大架构的应用,用于测量和传输绝对和增量信号。绝对角度测量可立即指示磁体的角度位置,分辨率可从10至18位之间选择和编程。在选定后,就可通过标准SSI(奇偶校验)和SPI(带CRC和奇偶校验选项)通信协议对数字表示的位置数据进行评估。在需要时,用户还可以选择接收PWM编码输出信号中的绝对角度位置。ABI和UVW信号指示了增量位置,ABI的用户可配置分辨率范围宽,为1CPR至高达20,000CPR,UVW换相信号的极对为1至32极对(2-64极)。
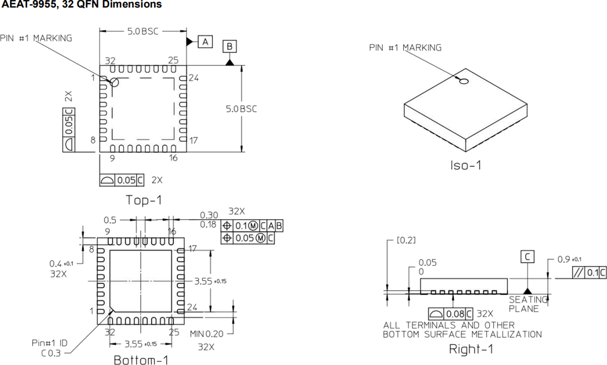
Broadcom AEAT-9955可编程角度磁性编码器采用紧凑型5mm x 5mm四方扁平无引线 (QFN) 封装,工作温度范围为-40°C至+125°。
特性
- 工作电压:5.0V和3.3V
- 睡眠模式下电流消耗:300μA
- 可编程10位至18位绝对分辨率
- 增量位置指示在ABI和UVW信号上,具有用户可配置CPR(从0CPR至20000CPR)
- 1pp至32PP换向角度输出UVW
- 绝对输出通过2线SSI、3线SSI、4线SPI和PWM
- 用于ABI、UVW和串行接口的专用输出引脚
- 专用归零和出错引脚
- EEPROM架构实现多次用户配置
- 可选56位内存锁定功能
- 自动积分非线性角度校正实现高准确度
- 设计符合ISO26262 ASIL-D和SIL3标准,用第二块芯片实现冗余
- 一转多重索引
- 用于多从网路的高阻抗输出
- 工作温度范围:-40°C至+125°C
- 5mm x 5mm QFN-32封装
- 符合RoHS指令
应用
- 无刷直流电机和步进电机
- 替代旋转变压器和电位器
- 工业自动化和机器人技术
- 工业缝纫机和纺织品设备
- 光检测和测距 (LiDAR)
其他资源
框图
发布日期: 2022-03-24
| 更新日期: 2023-01-24

