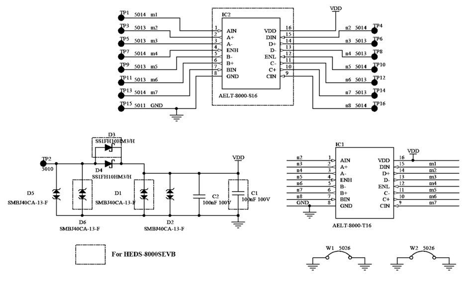
Broadcom HEDS-8000SEVB安装有AELT-8000-S16(SOIC-16)IC元件。HEDS-8000TEVB安装有AELT-8000-T16 (TSSOP-16) IC元件。
特性
- 工作频率达 5 MHz
- 驱动器电源电压范围:4.5V至36V
- 引脚兼容26xx31、xx7272
- 短路保护三态输出
- 低传播延迟:80 ns(典型值)
- 高阻抗CMOS兼容和TTL兼容带迟滞的缓冲输入
- 工作温度范围:-40 °C至125 °C
- 过热保护电路
- 欠压监控
应用
- 线路驱动器,用于5V至36V控制系统
- 旋转和线性编码器接口
- 工业控制
- 传感器系统
板尺寸 (mm)
原理图
布局
发布日期: 2025-03-11
| 更新日期: 2025-03-17

