特性
- 2 A 输出电流
- 与LM78xx线性稳压器引脚兼容
- -40 °C 到 + +85 °C 工作温度
- 输入电压范围:4.75VDC至36VDC
- 连续短路保护
- 紧凑型SIP3封装
- 低纹波和低噪声
- 设计符合EN/IEC 62368-1标准
应用
- 空间受限的节能设计
- 工业
- 电信
- 便携式电子产品
规范
- 输入电压
- 24VDC(典型值)
- 4.75VDC至36VDC 范围
- 输出电压范围:1.8VDC至15VDC
- 最大输出电流:2000 A
- 最大输出功率:5W至30W
- 最大纹波噪声:50MVp-p至75mVp-p
- 典型效率高达96%
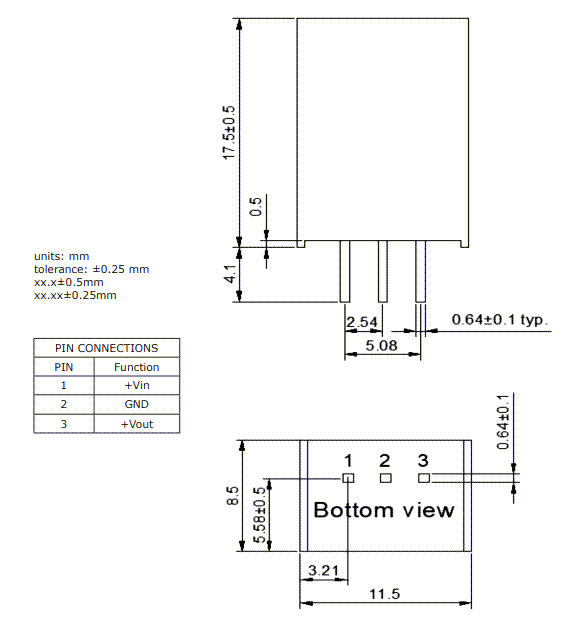
机械图
EMC推荐电路
发布日期: 2025-04-17
| 更新日期: 2025-04-23

