ME服务器模块包括高度集成的低排放设计和高速串行接口。这些服务器模块非常适合用于零售系统、安全/访问控制、医疗器械和楼宇/工业自动化。
特性
- 集成的10/100Mbit以太网接口
- 强大的企业级网络安全性
- 适用于有线和无线模块的通用系列占位面积
- 高速串行接口 (UART)
- 紧凑而安全的32位设备服务器模块
- 全面的引脚兼容模块解决方案系列
- 高度集成的低排放设计(FCC B级)
- 扩展的工业级工作温度
- Digi处理器和WLAN技术可实现真正的长期可用性
规范
- 32位Digi NS7520处理器
- 55MHz处理器速度
- 工作温度范围:-40°C至85°C
- 储存温度范围:-50°C至125°C
- 相对湿度:5%至90%(非冷凝)
应用
- 零售系统
- 安全/访问控制
- 医疗器械
- 楼宇/工业自动化
框图
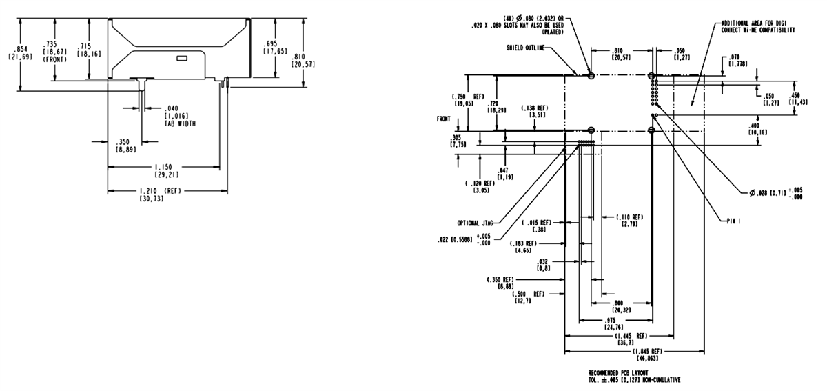
机械图
发布日期: 2019-12-11
| 更新日期: 2024-02-29

