Digi XBee® 3 Zigbee 3.0模块
Digi XBee® 3 Zigbee 3.0模块可快速实现无线连接和易于添加的功能,让设计人员、OEM和解决方案提供商加快上市时间。这些模块具有更快的部署时间,还可根据需要灵活地在多个无线协议和频率之间切换。XBee 3模块提供一个完全可互操作的生态系统,涵盖了各种垂直市场,包括智慧能源、楼宇自动化、智能照明和数字健康。这些模块可以使用Digi Remote Manager®,从一个简单的中央平台轻松进行配置和控制。通过使用内置的Digi TrustFence® 安全性、数据隐私和身份识别功能,XBee 3模块可抵御新出现和不断进化的网络威胁。这些模块针对DigiMesh或802.15.4进行编程,具有13mm x 19mm微型外形尺寸,可实现更紧凑、更便携的应用。特性
- Silicon Labs EFR32MG SoC收发器芯片组
- Zigbee® 3.0协议
- 128/256位AES加密
- 16通道
- UART、SPI和I2C串行数据接口
- API或AT命令、本地或无线(OTA)配置方法
- ISM 2.4GHz频带
- 抗干扰度:直接序列扩频 (DSSS)
- 针对DigiMesh或802.15.4进行编程设定
- 部署速度更快
- 天线选项:
- 通孔:
- PCB天线、U.FL连接器和RPSMA连接器
- SMT:
- 射频衰减器、PCB天线或U.FL连接器
- 微型:
- U.FL天线、射频衰减器和芯片天线
- 通孔:
- 1MB/128KB RAM(32KB可用于MicroPython)存储器
规范
- 数据速率:RF 250Kbps,串行高达1Mbps
- 室内/城市距离:长达60m
- 室外/射频视距:长达1200m
- 发射功率:8dBm
- 正常模式接收器灵敏度:-103dBm
- 4个10位ADC输入
- 15个数字I/O
- 电源电压范围:2.1V至3.6V
- 发射电流:40mA(8dBm时)
- 接收电流:17 mA
- 工作温度范围:-40 °C至+85 °C
应用实例
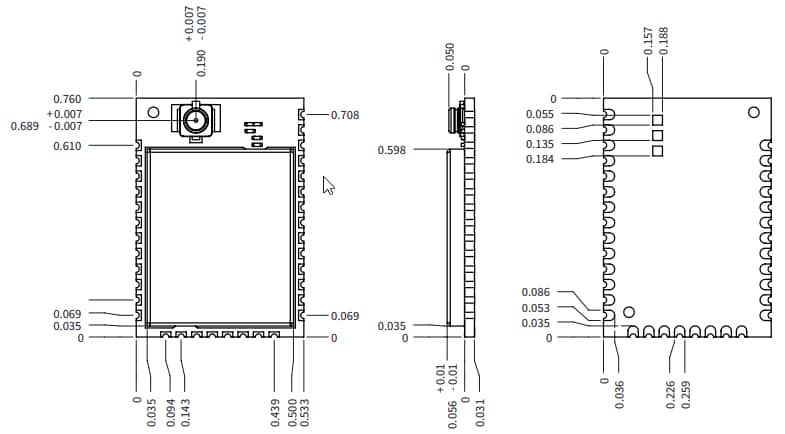
产品尺寸 (mm)
发布日期: 2021-01-29
| 更新日期: 2024-03-01
