Diodes Incorporated AL3644相机闪光灯LED驱动器
Diodes Incorporated AL3644相机闪光灯LED驱动器是双LED闪光灯驱动器,该解决方案尺寸小,且可调节性高。这些驱动器利用2MHz或4MHz固定频率同步升压转换器为双路1.5A恒流LED源供电。这些电流源还支持灵活地调节LED1和LED2之间的电流比。AL3644 LED驱动器具有硬件手电筒及硬件闪光灯引脚(TORCH/TEMP和STROBE)、NTC热敏电阻监控器和TX中断。这些LED驱动器在每个输出支路中提供独立可编程的电流,以在闪光灯或电影模式(手电筒)条件下驱动LED。AL3644 LED驱动器符合RoHS指令,工作温度范围为-40°C至85°C。这些LED驱动器非常适合用于带白色LED闪光灯的照相手机。特性
- 可设置双路独立的1.5A LED电流源
- 准确的可编程LED电流范围为1.4mA至1.5A
- 手电筒模式电流高达360mA (AL3644TT)
- 闪光灯超时值最高为1.6秒 (AL3644TT)
- 优化了低电池电量条件下的闪光灯LED电流(输入电压闪光灯监控器)
- 效率:>85%(手电筒模式 (100mA) 和闪光灯模式(1A至1.5A))
- 接地阴极LED操作可改善热管理
- 较小的解决方案尺寸:<16mm2
- 支持硬件频闪灯 (STROBE)
- 用于射频功率放大器脉冲事件 (TX) 的同步输入
- 支持硬件手电筒 (TORCH/TEMP)
- 远程NTC监控 (TORCH/TEMP)
- 400kHz I2C兼容接口 – AL3644(I2C地址 = 0x63)
- 完全无铅,完全符合RoHS指令
- 不含卤素和锑
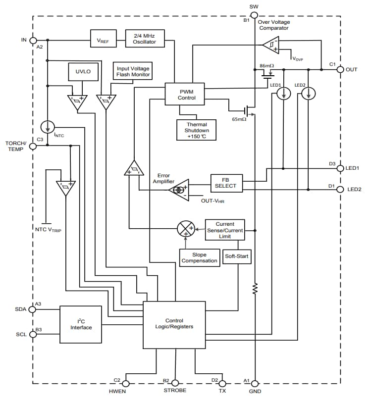
框图
典型应用电路
其他资源
发布日期: 2019-09-30
| 更新日期: 2023-08-01
