AL5873Q对温度进行监控。如果结温超过阈值温度,它将降低LED电流。为提高系统稳健性,AL5783Q具有输入欠压闭锁 (UVLO)、LED灯串开路/短路保护和过热保护 (OTP) 功能,由故障指示器 (FAULTB) 引脚报告故障。
Diodes Incorporated AL5873Q LED驱动器采用TSSOP-16EP(DX型)封装,符合汽车应用类AEC-Q100(1级)标准。
特性
- 符合AEC-Q100标准并具有PPAP功能,在通过IATF 16949认证的工厂中制造
- 宽输入电压范围:5V至55V
- 每个通道均可提供高达250mA的电流
- 通过2个电阻器分别设置停止和拖尾电流
- 通过FULL输入,自动在停止和拖尾功能之间切换LED电流
- 通过PWM输入和电源实现PWM调光
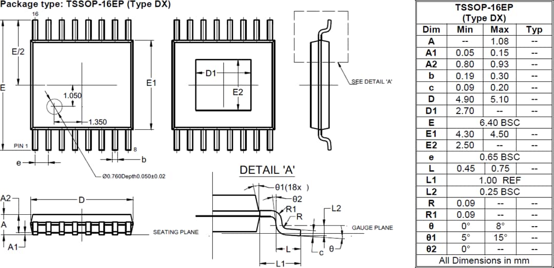
- TSSOP-16EP(DX型)封装
- 完全无铅,完全符合RoHS指令
- 无卤无锑的“绿色”器件
- 通过ADIM输入进行模拟调光
- 无需使能引脚即可自动进入和退出待机模式
- 内部保护
- 输入欠压闭锁 (UVLO)
- LED灯串短路保护
- LED灯串开路保护
- 过温保护(OTP)
- 如果芯片温度超过阈值,则热折返
- 故障报告:欠压闭锁 (UVLO)、OTP、LED开路以及LED短路
应用
- 汽车内部LED灯
- 尾灯
- 尾灯和停车灯
- 后转向指示灯
- 停车灯
- 雾灯
- 反向光
框图
典型应用电路
封装外形
发布日期: 2021-03-24
| 更新日期: 2022-11-28

