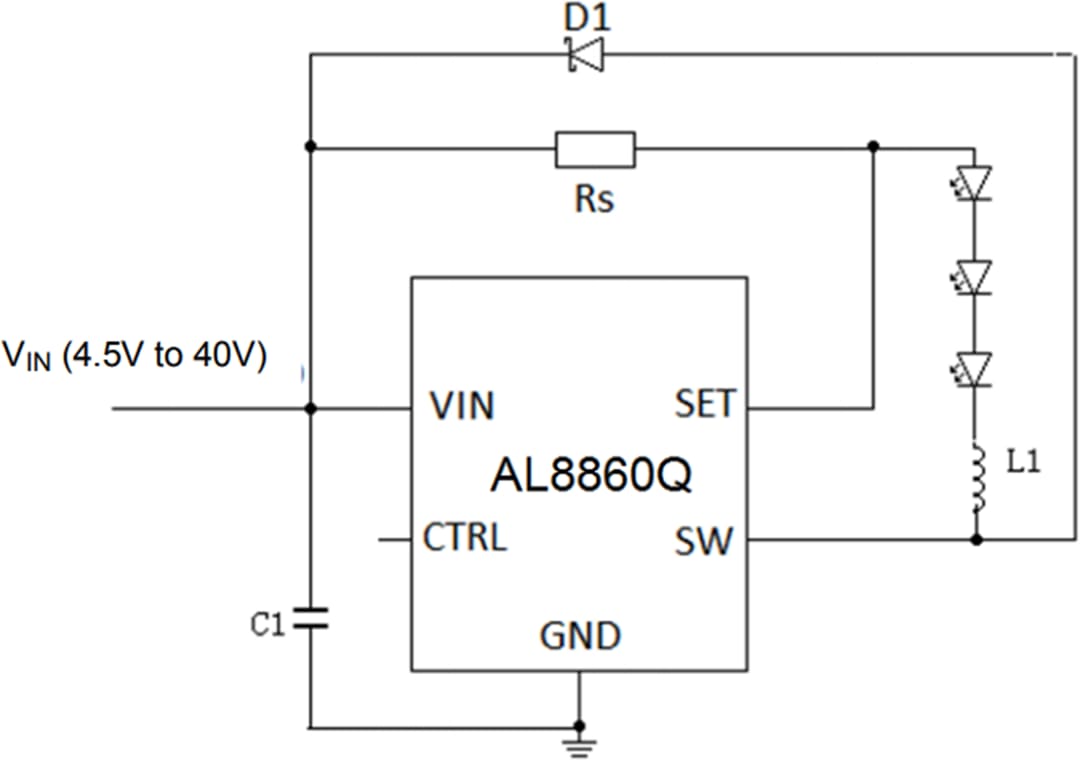
AL8860Q和AL8861Q LED驱动器集成了电源开关和高侧输出电流检测电路,该电路使用外部电阻设置标称平均输出电流。
通过将外部控制信号施加到AL8860Q上的CTRL引脚和AL8861Q上的VSET引脚,可以实现调光。通过将一个外部电容从CTRL或VSET引脚连接到地,可以调节软启动时间。向AL8860Q CTRL引脚或AL8861Q VSET引脚施加0.2V或更低电压,可以关闭开关并使器件进入低功耗待机模式。
AL8860Q和AL8861Q LED驱动器均采用行业标准无铅MSOP-8EP封装。这些器件符合AEC-Q100 1级标准并受PPAP(生产件批准程序)文档支持,从而满足汽车电子行业的所有要求。
特性
- 符合AEC-Q100 1级标准
- 宽输入电压范围:4.5V至40V
- 输出电流:高达1.5A
- 内部40V NDMOS开关
- 典型输出电流精度:5%
- 单引脚,通过直流电压或PWM信号实现开/关和亮度控制
- AL8860Q:CTRL引脚
- AL8861Q:VSET引脚
- 高效率 (>95%)
- 高达1MHz的开关频率
- 环境工作温度范围:-40°C至+125°C
- LED短路保护
- 固有的开路LED保护
- 检测电阻器短路保护
- 过热关断
- ESD额定值:
- 人体模型 (HBM),符合AEC-Q100-002标准:±3000V
- 充电设备模型 (CDM),符合AEC-Q100-011标准:±1000V
- 封装类型:MSOP-8EP
- 完全无铅,完全符合RoHS指令
- 无卤无锑的“绿色”器件
应用
- 汽车内部LED灯
- 汽车外部LED灯
新闻稿
汽车应用
发布日期: 2019-05-30
| 更新日期: 2023-07-21

