Diodes Incorporated AP7220x直流-直流降压-升压转换器
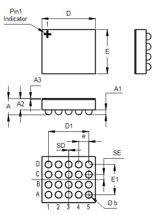
Diodes Incorporated AP7220x直流-直流降压-升压转换器是大电流同步转换器,可提供高效率、出色的瞬态响应和高直流输出精度。该款降压-升压转换器采用四开关H桥配置,支持降压和升压操作,具有2A连续输出电流。AP7220x转换器集成了包括双向串行数据线SDA的双线串行接口,并支持高达3.4MHz的SCL时钟速率。该降压-升压转换器具有2.5MHz开关频率、可通过I2C编程的超声波操作,以及可调节的过流限制。这些转换器采用20焊球WLCSP封装,尺寸为2.125mm x 1.750mm。典型应用包括智能手机、平板电脑和便携式消费电子设备。特性
- VIN输入电压:2.3V至5.5V
- 输出电压范围:2.6V至5.14V
- 连续输出电流:2A
- 开关频率:2.5MHz
- I2C接口
- 可选PFM/PWM模式
- 可通过I2C编程的超声波操作
- 电源良好指示灯,带5MΩ内部上拉电阻
- 可调节的过流限制
- 充分保护:
- 过流
- 短路
- 反向电流保护
- 过热
- 欠压闭锁 (UVLO)
- 完全无铅,完全符合RoHS指令
- 无卤、无锑
应用
- 智能手机
- 平板电脑
- 便携式消费电子设备
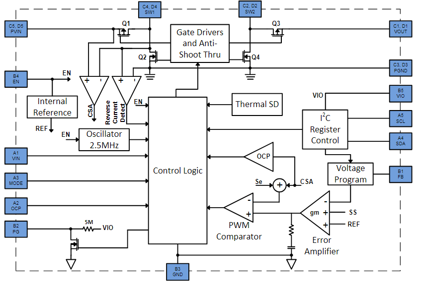
AP7220x框图
发布日期: 2018-08-01
| 更新日期: 2022-09-28
