AP7375Q ULDO稳压器有1.8V、3.0V、3.3V和5.0V固定输出电压型号可供选择,采用SOT89和SO-8EP封装。AP7375Q的所有型号均适合用于需要特定变更控制的汽车应用。该稳压器符合AEC-Q100标准并具有PPAP功能,在通过IATF 16949认证的工厂中制造。
特性
- 宽输入电压范围:3 V至45 V
- 最大输出电流:300mA
- 低压差:
- VDROP =35mV(IOUT =10mA时,典型值)
- VDROP =350mV(IOUT =100mA时,典型值)
- 低静态电流:2.1μA(典型值)
- 1.8 V、3.0 V、3.3 V 和5.0 V 固定输出电压型号
- 高输出电压精度:±2%
- 高PSRR:85dB(1kHz时)
- 出色的线路和负载调节功能
- 热关断功能
- 短路电流保护功能
- 工作温度范围:40ºC至+125ºC
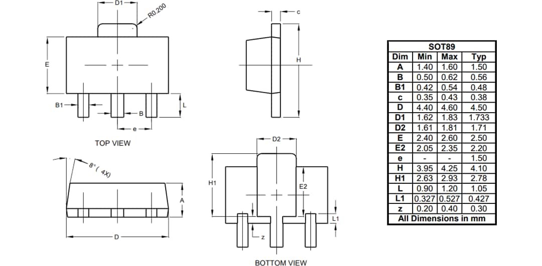
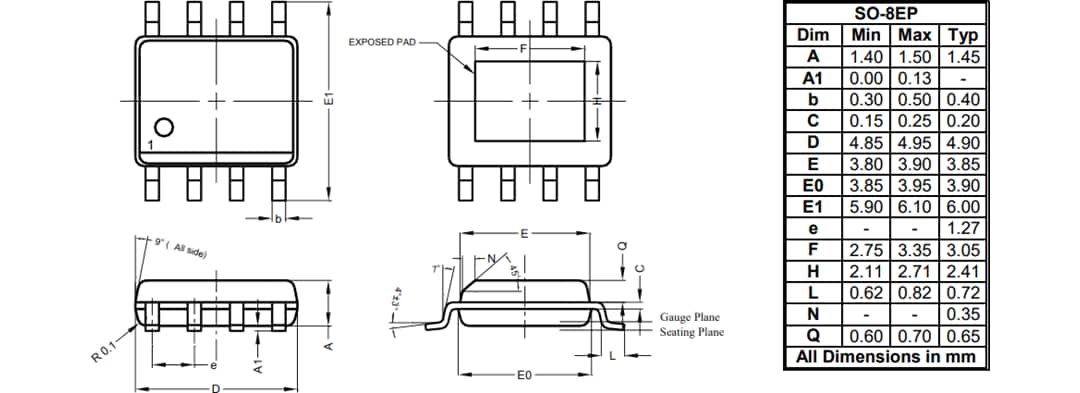
- SOT89和SO-8EP封装选项
- 无铅,符合RoHS指令
- 无卤素和无锑;“绿色”设备
- 符合AEC-Q100标准并具有PPAP功能
应用
- 为MCU和CAN/LIN收发器供电
- 汽车音响主机
- EV和HEV电池管理系统
- 车身控制模块
- 变速器控制单元 (TCU)
典型应用电路
框图
封装外形 (SOT89)
封装外形(SO-8EP)
发布日期: 2022-08-05
| 更新日期: 2024-06-25

