AS2333Q设计采用斩波稳定技术,优化用于低压单电源应用,特别是低功耗高精度应用。
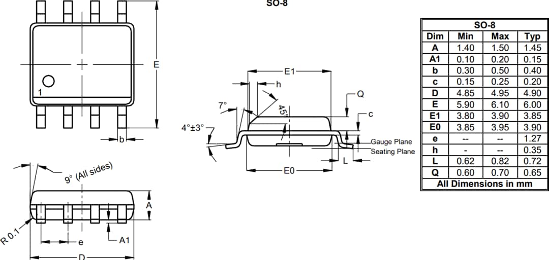
Diodes Incorporated AS2333Q运算放大器采用行业标准SO-8封装。该器件符合汽车应用类AEC标准,温度等级1,额定工作温度范围为-40°C至+125°C。
特性
- 低输入失调电压:8μV(典型值)
- 零漂移;0.02μV/°C(典型值)
- 0.01Hz至10Hz噪声:1.1μVPP
- 低静态电流:12 μA
- 电源电压:8V至5.5V
- 轨到轨输入和输出
- 带宽:350kHz
- 转换率:0.12V/μs(典型值)
- 工作温度范围:-40°C至+125°C
- SO-8封装
- 完全无铅,完全符合RoHS指令
- 无卤、无锑的“绿色”器件
应用
- 电池供电型仪器仪表
- 泵
- 安全气囊
- 位置传感器
- 车辆乘员检测传感器
典型应用电路
包装外形
发布日期: 2022-06-29
| 更新日期: 2024-04-12

