Diodes Incorporated AZV300x Low Voltage Push-Pull Output Comparators
Diodes Inc. AZV300x Single/Dual Channel Low Voltage Push-Pull Output Comparators are developed for battery powered devices and systems requiring low voltage operation. The comparators typically consume 6μA of supply current to extend battery life. They are guaranteed to operate at a 1.6V low voltage and are fully operational up to 5.5V. These features and their low-power characteristics make the AZV3001 and AZV3002 convenient for use in 1.8V, 3.0V and 5.0V systems and perfectly suitable for battery-powered devices.Features
- Low supply current of 6μA (typical)
- Wide supply voltage range of 1.6~5.5V
- Rail to rail input/output performance
- Push-pull output structure
- Propagation delay of 0.8μs (typical)
- Low input bias current of 1pA (typical)
- No phase inversion with overdrive input signals
- Internal hysteresis X2-DFN1410-6, U-FLGA1616-8
- Totally lead-free & fully RoHS compliant
- Halogen and antimony free "green" device
Applications
- Mobile phones
- Pad
- Battery powered devices
- Alarm and security systems
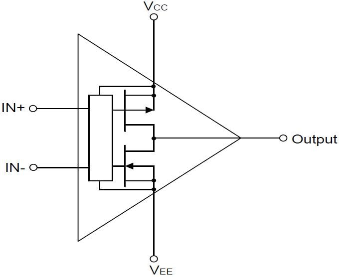
Block Diagram
发布日期: 2015-11-30
| 更新日期: 2022-03-11
