Diodes Incorporated DMN52D0LT N沟道增强模式MOSFET

Diodes Incorporated DMN52D0LT N沟道增强模式MOSFET设计用于最大限度地降低RDS(ON),并保持出色的开关性能。该MOSFET具有极低的栅极阈值电压、低输入电容、快速开关速度和ESD保护栅极。DMN52D0LT MOSFET具有低输入/输出漏电流,符合AEC-Q100/101/104/200标准并具有PPAP功能。该MOSFET无铅,符合RoHS指令,工作温度范围为-55°C至150°C。典型应用包括电机驱动、电源管理功能和负载开关。

特性

  • 导通电阻低
  • 超低栅极阈值电压
  • 低输入电容
  • 快速开关速度
  • 低输入/输出漏电流
  • ESD保护栅极
  • 无铅
  • 符合RoHS指令
  • 不含卤素和锑

规范

  • 漏极-源极电压:50VDSS
  • 栅极-源极电压:±12VGSS
  • 脉冲漏极电流:1.2A
  • 350mA最大连续体二极管正向电流
  • 工作温度范围:-55°C至150°C
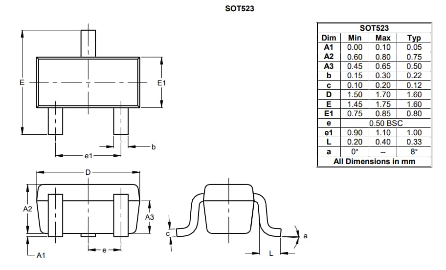
  • 封装:
    • SOT523
  • UL可燃性等级:94V-0
  • 重量:
    • 0.002克

应用

  • 电机驱动
  • 电源管理功能
  • 负载开关

外形尺寸

机械图纸 - Diodes Incorporated DMN52D0LT N沟道增强模式MOSFET
发布日期: 2022-12-27 | 更新日期: 2023-01-09