Diodes Incorporated LM290xAQ 符合汽车标准的比较器
Diodes Incorporated LM290xAQ 符合汽车标准的差分比较器由四个(LM2901AQ)或两个(LM2903AQ)独立的精密电压比较器组成,具有极低输入失调电压。 它们可在宽电压范围内的单电源下工作。 也可使用分离电源工作。 LM290xAQ 系列产品可提供低电源电流,不受电源电压幅度的影响。 LM290xAQ 系列比较器直接连接 TTL 和 CMOS。 该 LM2901AQ 四通道器件采用 SO-14 和 TSSOP-14 封装,而 LM2903AQ 双器件采用 SO-8、MSOP-8 和 TSSOP-8 封装,所有器件均采用符合行业标准的引脚分配。 所有型号均采用绿色环保的模封材料,均符合 AEC-Q100 标准 1 级要求,符合汽车标准 PPAP 程序。特性
- Wide power supply range
- 2V to 36V single supply range
- ±1.0V to ±18V dual supply range
- Low 0.9mA supply current
- 0.6mA (LM2903Q)
- 0.9mA (LM2901Q)
- 25nA input bias current
- ±5nA input offset current
- Typical offset voltage
- 2mV non-A device
- 1mV A device
- Common-mode input voltage range includes ground
- Differential input voltage range equal to the power supply voltage
- Low output saturation voltage
- 200mV at 4mA
- 100mV at 4mA
- Output voltage compatible with TTL, MOS, and CMOS
- Qualified to AEC-Q100 Grade 1
- PPAP capable
应用
- Automotive
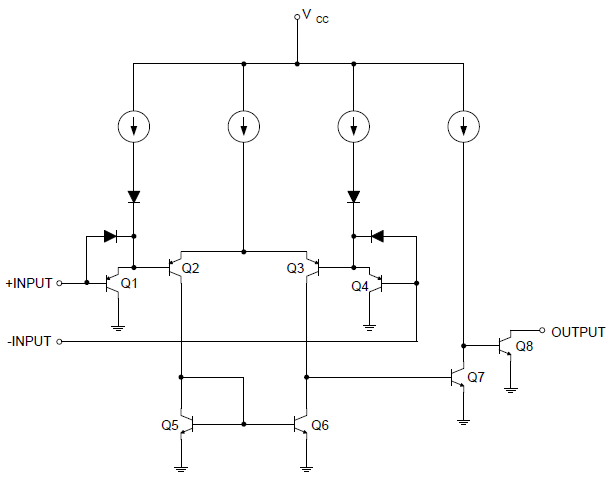
Functional Block Diagram
发布日期: 2016-03-30
| 更新日期: 2022-03-11
