Diodes Incorporated AHE101 InSb霍尔元件
Diodes Incorporated AHE101 InSb霍尔元件具有超高灵敏度,可检测小磁场并提供比例模拟输出。这些霍尔元件具有415mV最大输出电压、2V最大输入电压、240Ω 至550Ω 输入/输出电阻范围以及-40°C至125°C工作温度范围。AHE101霍尔元件采用桥式结构,具有-40°C至125°C的宽工作温度范围。此系列传感器有多种霍尔灵敏度(排名)可供选择,可为任何给定磁场强度提供不同的输出电压电平,并可针对各种应用需求进行优化。AHE101霍尔元件采用SOT23-4(A型)封装,符合RoHS指令。典型应用包括无刷电机、风扇、转速检测、电流测量、轮转速检测和磁性编码器。特性
- 超高灵敏度
- 经典SOT23-4(A型)封装
- 完全无铅
- 完全符合RoHS标准
- 无卤、无锑的“绿色”器件
- 用于需要特定变更控制的汽车应用(即符合AEC-Q100/101/104/200标准的零件,具有PPAP功能,在通过IATF 16949认证的工厂中制造)
应用
- 检测移动电话和个人电脑的打开与关闭
- 使用操纵杆检测
- 磁编码器
- 使用高架电流表(夹式电流表)进行电流测量
- 通过无刷电机和滚轮转速检测进行位置检测
- 非接触式换向、速度测量以及角位置传感/索引:
- 消费类家电
- 办公设备
- 工业设备
规范
- 最大输入电流:20 mA
- 最大输入电压:2 V
- 工作温度范围:-40 °C至125 °C
- 输入/输出电阻范围:240Ω至550Ω
- 最小输出霍尔电压:168mV(50mT 1V时)
- 最大输出霍尔电压:415mV(50mT 1V时)
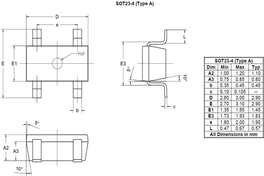
- SOT23-4(A型)封装
尺寸图
典型工作特性
发布日期: 2025-04-07
| 更新日期: 2025-05-06
