Diodes Incorporated AL3069Q汽车显示器LED背光驱动器
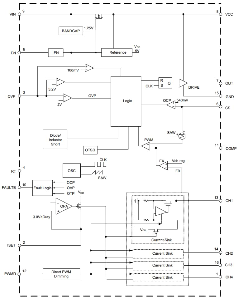
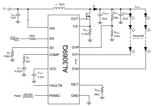
Diodes Incorporated AL3069Q汽车显示LED背光驱动器是高效60V升压控制器,专为汽车LED背光应用而设计。这些驱动器集成了四个80V高精度电流汇流通道,并提供强大的故障诊断功能,以确保在苛刻的环境中可靠运行。AL3069Q LED驱动器具有内置自适应电压控制功能,可在4.5V至60V的宽输入电压范围内工作。这些驱动器提供 100kHz至1MHz的可调开关频率,并在100Hz时可实现1/5000的PWM调光占空比。AL3069Q驱动器采用TSSOP-16EP(DX型)和UQFN4040-16/SWP(UXB型)封装。这些LED背光驱动器符合AEC-Q100等级1标准,并且是支持PPAP的汽车等级产品。AL3069Q驱动器具有一些最先进的故障诊断和强大的保护功能,使其成为汽车信息娱乐、仪表盘和智能车镜等应用的理想选择。特性
- 符合AEC-Q100等级1标准
- 升压或SEPIC DC/DC控制器
- 内置自适应电压反馈
- 输入电压范围:4.5 V至60 V
- 用于安全测试的高压引脚CS和OVP
- 切换频率范围:100kHz至1MHz
- 四个高精度电流阱
- 每串250mA的电流,以及400mA脉冲电流
- 通道间电流一致性:±0.5%(典型值)
- 支持直接PWM调光
- 广泛的故障诊断功能
- 开漏故障报告引脚
- 100Hz调光频率下,最小PWM调光占空因数达到1/5000
- LED开路/短路保护
- SCHOTTKY二极管/电感器短路保护
- 内置保护功能:
- 过流保护(OCP)
- 过电压保护 (OVP)
- 过温保护 (OTP)
- 欠电压锁定 (UVLO)
- VOUT短路/肖特基二极管开路保护
- 完全无铅,完全符合RoHS指令
- 无卤素无锑的[“绿色”设备]
应用
- 汽车信息娱乐
- 汽车仪器组
- 智能车镜
- 抬头显示器 (HUD)
应用电路图
功能框图
其他资源
发布日期: 2025-10-07
| 更新日期: 2025-11-21
