Diodes Inc AL58263的工作输入电压范围为3V至5.5V,输出通道电压为15V,DCK 25MHz输入快速。该器件可为每个LED灯串提供高达55mA的高精度电流。每个通道的电流输出均可通过数字接口单独编程。一个外部检测电阻器和一个6位全局电流控制寄存器可设置所有通道的输出电流。
AL58263具有内置诊断和LED开路/短路保护,包括错误检测。这些错误结果存储在寄存器中,以便MCU读出。
AL58263设计采用TSSOP-24EP(A1-B型)封装,额定环境温度范围为-40°C至+85°C。
特性
- 输入电压 (VDD):3V至5.5V
- 输出电流范围
- 2mA至55mA/5V,2mA至35mA/3.3V
- 输出电流调节能力:±0.1%
- 6位全局电流控制:12.5%至200%
- 16个恒定电流灌输出通道
- 16位灰度分辨率,带自适应脉冲
- 密度调制控制
- 15V额定输出通道,用于长LED灯串
- 快速瞬态响应-支持外部灰度时钟,双沿高达16MHz
- 通道间LED电流精度:±1.5%(典型值)
- 芯片间LED电流精度:±3%(典型值)
- 用于大功率LED应用的非扰频波形
- 灰度计数器复位选择
- 灰度数据同步选择
- 完全无铅,完全符合RoHS指令
- 无卤、无锑的绿色器件
- 诊断和保护
- 错误检测包括LED开路、LED短路、输出端口泄漏、输出接地短路、输出电源短路和REXT接地短路
- 0.1mA时的错误检测LED开启,可避免任何闪烁
- 短路检测阈值电压选择(2V/3V/4V/4.5V)
- 睡眠和0-data模式,可降低电源电流
- 过热前警告
- 4-Wire串行接口(LAT、DI、DO、DCK)
- 用于数据传输的25MHz时钟频率
- EMI降低灰度时钟
- 级联能力(最多1,440个器件)
- 外部GCK看门狗
- 交错输出延迟,用于降低EMI
应用
- 室内和室外LED视频显示器
- 可变信息标志 (VMS)
- 交通标志
- 户外广告牌标牌
- LCD背光
规范
- 不符合AEC标准
- 符合标准(只有汽车支持PPAP)
- 线性LED驱动器拓扑
- 最小电源电压:3V
- 最大电源电压:5.5 V
- 最大输出电压 (VOUT):15V
- 16个通道
- 直流输出电流为 55 mA
- 每通道最大电流:55mA输出电流
- 精度:1.5%
- 通过内部寄存器16位进行PWM调光
- 温度范围:-40 °C至85 °C
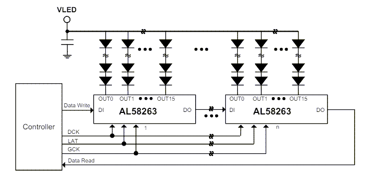
应用电路原理图
发布日期: 2024-04-30
| 更新日期: 2024-05-14

