AL58263Q的工作输入电压范围为3V至5.0V,输出通道电压为15V,DCK 25MHz快速输入,可为每个LED灯串提供高达55mA高精度电流。每个通道的平均输出电流均可通过数字接口单独编程。一个外部检测电阻器或一个6位全局电流控制寄存器可以设置所有通道的输出电流。AL58263Q LED驱动器具有内置检测/诊断功能和LED开路/短路,包括错误检测功能。这些错误结果存储在寄存器中,以便MCU读出。
特性
- 符合AEC-Q100 1级标准,具有PPAP功能,在通过IATF16949认证的工厂中制造
- 输入电压VDD:3V至 5V
- 输出电流范围
- 2 mA至55mA/5.0V
- 输出电流调节:±0.1%(典型值)
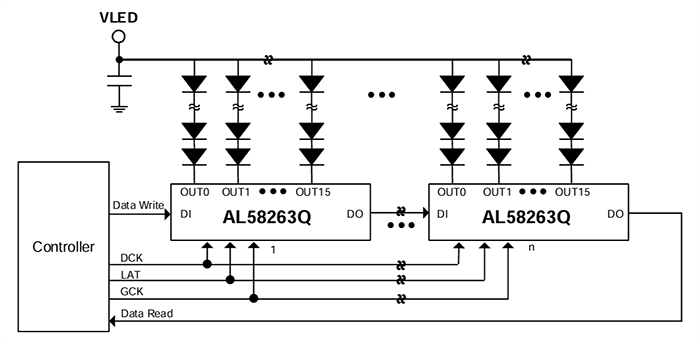
- 16通道恒流灌电流输出
- 16位灰度分辨率
- 6位全局电流控制
- 15V额定输出通道
- 通道间LED电流精度:±1.5%(典型值)
- 芯片间LED电流精度:±3%(典型值)
- 交错输出延迟,用于降低EMI
- 级联能力(最多1440个器件)
- 检测和诊断
- 错误检测包括LED开路、LED短路、输出端口泄漏、输出接地短路、输出电源短路和REXT接地短路
- 过热前警告
- 4线串行接口+1(LAT、DI、DO、DCK+GCK)
- 用于数据传输的25MHz数据时钟 (DCK) 频率
- 高达16MHz的双边灰度时钟 (GCK)
- 外部GCK看门狗定时器
- 零数据和睡眠模式,可实现节能
- 寄存器可编程选项
- 定期PWM或自适应脉冲密度调制
- 内置内部PWM或外部灰度时钟 (GCK)
- 短路检测阈值电压选择 (2V/3V/4V/4.5V)
- 环境温度范围:-40 °C至+125 °C
- 可湿性侧翼W-QFN4040-24/SWP(A1型)封装
- 完全无铅,完全符合RoHS指令
- 无卤、无锑的绿色器件
应用
- 汽车仪表盘
- 汽车局部调光显示器
- 汽车前面板和后面板
- 汽车中心堆栈显示
- 汽车内部和RGB照明
- 汽车暖通空调控制面板
- 汽车换档器指示器
- 汽车外部照明
典型应用
框图
发布日期: 2024-10-18
| 更新日期: 2024-12-12

