Diodes Incorporated AL5887 I2C/SPI 36通道线性RGB LED驱动器
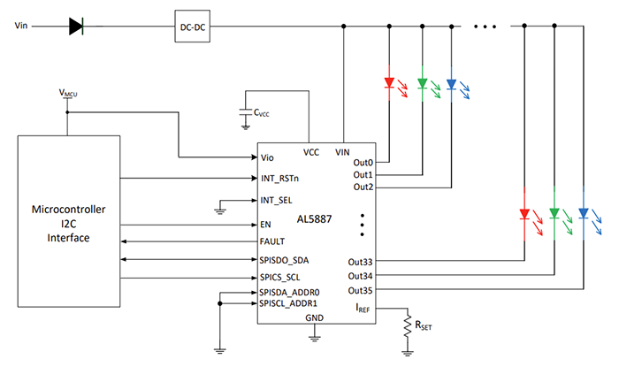
Diodes Incorporated AL5887 I2C/SPI 36通道线性RGB LED驱动器具有36个可编程LED电流通道,每个通道均设有内部12位PWM,用于颜色/亮度控制。AL5887具有三个用于每个颜色软件控制的可编程组(A、B和C),非常适合用于多达12个RGB LED模块照明应用。外部电阻器设置所有36个通道的全局输出电流。每个通道的电流均可在封装的热限制下以数字方式配置高达70mA的电流。AL5887采用6mm x 6mm W-QFN6060-52/SWP(A1型)封装,环境工作温度范围为-40°C至+85°C。通过SPI/I2C数字接口并使用专用引脚INT_SEL来控制特性,以选择任一协议。AL5887为每个通道和独立于通道/模块的颜色混合和亮度控制寄存器提供 30kHz、2位PWM发生器。该寄存器可实现生动LED效果,可闻噪声为零。Diodes Incorporated AL5887具有超低关断IQ节能模式,可轻松进行软件编程。
特性
- 输入电压范围:2.7V至5.5V
- 36x精密LED灌电流
- 引脚电压:5.5V(最大值)
- 每通道电流:高达70mA(最大值)
- 器件间电流精度:<2%(7mA至70mA)
- 通道间电流精度:<3.5%(1mA至7mA)
- 每个通道均具有一个集成式12位(4096步长)、29kHz PWM发生器
- PWM相移
- 6位全局电流调光
- 每个通道均具有一个独立的色彩混合寄存器
- 每个RGB LED模块均具有一个独立的亮度控制寄存器
- 可选的对数或线性标度亮度控制
- 3个可编程组(A、B、C)
- 串行数字接口 (I2C/SPI)
- 支持400kHz I2C 接口(默认)
- 2个外部硬件地址引脚允许连接多达4个器件(仅I2C)
- 2MHz SPI兼容数字接口(INT_SEL引脚 = 高)
- 广播从地址允许同时配置多个器件
- 自动递增允许在一次传输期间写入或读取多个连续的寄存器
- 通过数字接口读取诊断和保护状态
- 开漏FAULT引脚,用于故障指示
- 单个LED通道开路/短路检测
- UVLO前告警和欠压锁定 (UVLO)
- 过热保护 (OTP) ,带预OTP告警
- 数字POR指示器
- 独立通道故障屏蔽
- 超低静态电流
- 关断模式:1µA(最大值),EN低电平>25ms
- 省电模式:15µA(最大值),EN处于高电平,所有LED关断时间大于30ms
- 6mm x 6mm W-QFN 6060-52/SWP(A1型)封装
- 无铅,符合RoHS指令
- 无卤、无锑(绿色器件)
应用
- 智能家居电器
- 智能扬声器
- 视频门铃
- 电子智能锁
- 烟雾探测器
- 智能路由器
- 机顶盒
- RGB LED照明
- 建筑照明
- 工业LED照明
- 可穿戴和手持式设备
典型应用图
视频
发布日期: 2023-01-26
| 更新日期: 2023-12-06
