Diodes Incorporated AL5958Q 48通道矩阵LED驱动器
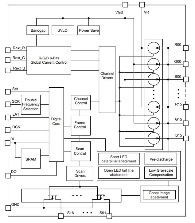
Diodes Incorporated AL5958Q 48通道矩阵LED驱动器符合AEC-Q100标准,当连接两个或更多设备时,支持从无扫描到32级扫描的任何动态应用。 这些设备内置16个集成的NMOS开关,并采用独特的多路复用脉冲密度调制 (M-PDM) 技术,可提高动态扫描系统的刷新率。AL5958Q驱动器在3V至5V的输入电压范围内运行,并提供48个恒流源输出,为每个LED通道串提供高达20mA的高精度电流。AL5958Q提供良好的通道间电流精度,以及±1.5%的设备间电流匹配。Diodes Incorporated AL5958Q驱动器的适用应用包括汽车环境,例如中央信息显示器、仪表盘显示器、格栅灯和车内照明灯。特性
- 符合 AEC-Q100
- 灰度PWM调光:
- 16位PWM调光分辨率
- 通过M-PDM技术实现高刷新率
- 可选单边或双边触发灰度时钟以减少EMI
- 诊断和保护:
- LED开路/短路、灰度时钟Watchdog
- 欠压锁定
- 内置智能矩阵显示功能:
- 自动黑框插入
- 消除上一扫描线和下一扫描线的重影现象
- 低亮度均匀性补偿
- 短LED卡特彼勒问题和开路LED故障线消除
- 菊花链连接能力
- 睡眠模式以节能
应用
- 汽车中央信息显示器
- 汽车仪表显示器
- 汽车平视显示器
- 汽车格栅灯
- 汽车车身迷你LED面板
- 汽车内饰灯
- 汽车尾灯
规范
- 两个独立的电源(VR和VGB):
- VR电源范围:2.8V至5V
- VGB电源电压:3V至5V
- 48路输出电流源:
- 恒流输出范围:0.5mA至20mA
- 通过3个外部电阻器设置电流
- 每个颜色组的6位全局电流控制
- 通道间LED电流精度:±1.5%
- 设备间LED电流一致性:±1.5%
- 输出交错延迟
- W-QFN9090-76/SWP 封装
- 尺寸:9 mm x 9 mm
- 内置16个NMOS扫描开关:
- 适用于从0扫描到1/32扫描的静态和动态系统
- 灵活的扫描序列
- 内置3x 16k位SRAM
- 环境温度范围:-40 °C至+125 °C
引脚分配
功能框图
其他资源
发布日期: 2025-08-29
| 更新日期: 2025-11-26
