Diodes Incorporated AP5100 Step-Down Converter
Diodes Incorporated AP5100 current mode step-down converter with built-in power MOSFET enables the smallest solution size power conversion. With the low series resistance power switch the Diodes Incorporated AP5100 step-down converter enables a constant output current of up to 1.2A over a wide input supply range. The load and line regulation has excellent response time over the operating input voltage and temperature range.The AP5100 is self-protected through a cycle-by-cycle current limiting algorithm and an on-chip thermal protection. This step-down converter is optimized for use in distributed power systems, battery chargers, pre-regulators for linear regulators, and WLED drivers.
Features
- VIN 4.75V to 24V
- Load current of up to 1.2A
- Internal power MOSFET
- Stable with low ESR ceramic output capacitors
- Up to 90% efficiency
- 0.1µA Shutdown mode
- Fixed 1.4MHz frequency
- Thermal shutdown
- Cycle-by-cycle over current protection
- 0.81V to 15V Resistor divider adjustable output
- SOT26 Available in “green” molding compound (No Br, Sb)
- Lead free finish/RoHS compliant
Applications
- Distributed power systems
- Battery charger
- Pre-regulator for linear regulators
- WLED Drivers
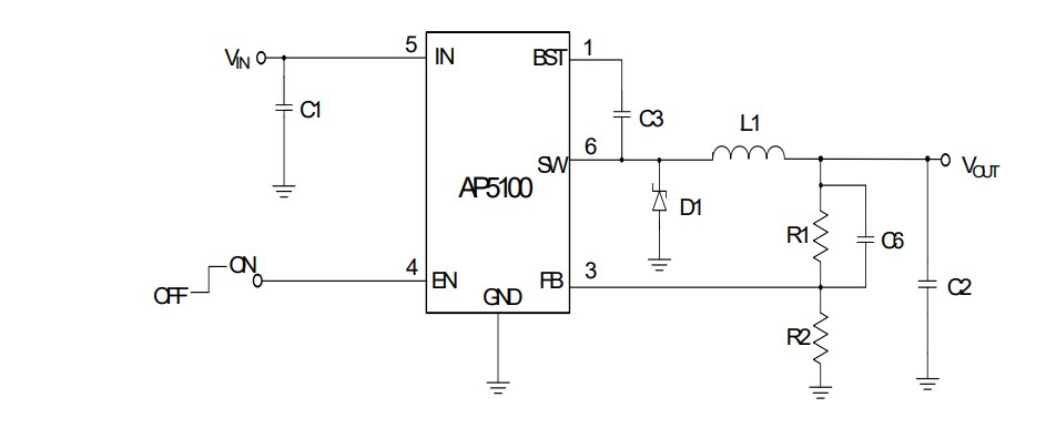
Typical Application Circuit
发布日期: 2010-05-17
| 更新日期: 2022-03-11
