Diodes Incorporated AP63300/1-EVM 评估板

Diodes Incorporated  AP63300/1-EVM评估板用于评估AP63300/AP63301 3A同步降压转换器。这些转换器完全集成了75mΩ 高侧功率MOSFET和40mΩ 低侧功率MOSFET,可提供高效降压直流-直流转换。AP63300/1-EVM板的工作温度范围为-40°C至85°C,电源电压范围为3.8V至32V,提供3A连续输出电流。AP63300/1-EVM板非常适合用于家用音频、网络系统、电动工具和激光打印机、游戏机和消费类电子产品。

特性

  • 工作温度范围:-40 °C至85 °C
  • 3A连续输出电流
  • 电源电压范围:3.8V至32V

应用

  • 5V、12V和24V分布式电源总线供电
  • 平板电视和显示器
  • 电动工具和激光打印机
  • 白色家电和小家电
  • FPGA、DSP和ASIC电源
  • 家庭音响
  • 网络系统
  • 游戏机
  • 消费电子产品
  • 通用负载点

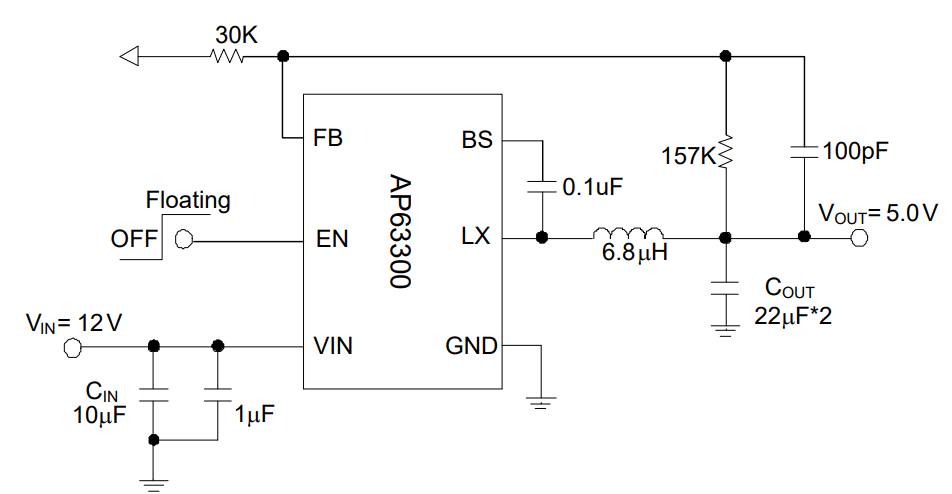
原理图

原理图 - Diodes Incorporated AP63300/1-EVM 评估板
发布日期: 2020-02-11 | 更新日期: 2024-07-23