低压差和低静态电流特性使其非常适合用于电池供电设备等低功耗应用。典型静态电流约为60μA。内置热关断和限流功能,可在故障情况下防止IC遭受损坏。
Diodes Inc. AP7366EA具有可调输出(0.8V至5V)和固定输出(1.0V、1.2V、1.5V、1.8V、2.0V、2.5V、2.8V、3.0V、3.3V和3.9V)型号。AP7366EA采用SOT25、U-DFN2020-6封装。
特性
- 600mA低压差稳压器(带EN)
- 低IQ:60µA
- 宽输入电压范围:2.2V至6V
- 宽可调输出:8V至5.0V
- 固定输出选项:0V、1.2V、1.5V、1.8V、2.0V、2.5V、2.8V、3.0V、3.3V、3.6V、3.9V
- 高PSRR:75dB(1kHz时)
- 快速启动时间:150µs
- 采用低ESR、1µF陶瓷输出电容时可稳定工作
- 出色的负载/线路瞬态响应
- 低压差:300mV(600mA时)
- 电流限制和短路保护
- 热关断保护
- 环境温度范围:-40°C至+85°C
- 无铅,完全符合RoHS指令
- 无卤无锑的“绿色”器件
应用
- 服务器和笔记本电脑
- 中低功率应用
- FPGA和DSP内核或I/O电源
- 消费类电子产品
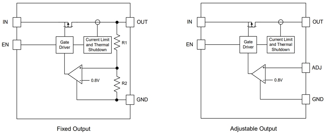
功能框图
发布日期: 2022-10-19
| 更新日期: 2022-12-06

