Diodes Incorporated AP7372低噪声ULDO稳压器
Diodes Incorporated AP7372低噪声ULDO稳压器设计用于在噪声敏感型应用中提供出色的性能。这些稳压器的工作电压范围为2.7V至20V,提供高达200mA的输出电流,在10kHz时具有90dB的高电源抑制 (PSRR),可确保在高性能模拟和混合信号电路中的稳定运行。AP7372的输出噪声仅为8μVRMS,不受固定输出电压选项(1.8V、2.5V、3.3V和5.0V)影响,可实现出色的线路和负载瞬态响应。此外,该器件提供可编程软启动功能,在200mA电流下的低压差为120mV,并可在搭配2.2μF陶瓷输出电容器时稳定工作。得益于以上特性,AP7372非常适用于ADC和DAC电路、精密放大器以及VCO VTUNE 控件等应用。特性
- 低噪声:8μVRMS,不受固定输出电压影响
- 高PSRR
- 90 dB 下 10 kHz
- 70 dB 下 100 kHz
- 52 dB 下 1 MHz
- 输入电压范围:2.7 V至20 V
- 200 mA最大输出电流
- ±0.8%的高输出电压精度
- 在线路、负载和-40°C至+125°C温度范围内的精度为±1.8%。
- 典型情况下,IOUT = 200mA时压差电压为120mV
- 用户可编程软启动
- 静态电流低,典型值为66μA
- 关断电流低
- VIN = 5V时,为3.1μA
- VIN = 20V时,为3.3μA
- 稳定,带有2.2μF陶瓷输出电容器
- 输出可从1.2V至VIN– VDO 进行调节,输出可调至初始设定点之上
- 端子
- 铜引线经过NiPdAu抛光处理
- 可根据MIL-STD-202方法208进行焊接
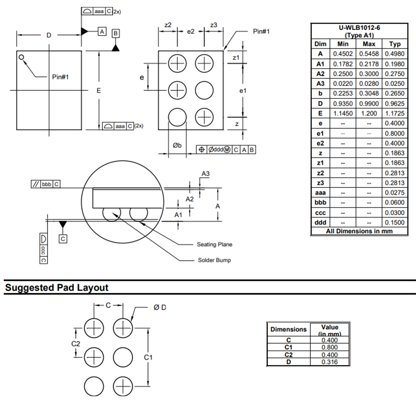
- U-WLB1012-6(A1型)封装
- 潮湿敏感度等级(MSL)为1级,符合J-STD-020
- 完全无铅,符合RoHS标准
- 无卤素和无锑,绿色器件
应用
- 适用于对噪声敏感的应用
- ADC和DAC电路
- 精密放大器
- VCO VTUNE 控制电源
- 通信和基础设施
- 医疗和保健
- 工业和仪器仪表
其他资源
典型应用
框图
尺寸
发布日期: 2025-04-21
| 更新日期: 2025-07-31
