特性
- 高效的低成本解决方案,用于驱动MOSFET和IGBT
- 4.5V至18V工作电源电压范围
- 输出电流能力:4.0A拉电流/4.0A灌电流
- 35ns(典型值)的快速传播延迟
- 20ns(典型值)的快速上升和下降时间
- 3.3V逻辑输入 (IN) 功能
- 温度范围:-40°C至125°C
- 无铅,完全符合RoHS指令
- 无卤、无锑
规范
- SO-8(TH型)封装
- 模制塑料、绿色模压复合外壳材料
- UL可燃性等级:94V-0
- 湿度灵敏性:符合J-STD-020标准第3级
- 端子:
- 雾锡含铅电镀
- 可焊接,符合MIL-STD-202标准之方法208的要求
- 方法208
- 重量:约0.075g
应用
- 直流-直流转换器
- 线路驱动器
- 电机控制
- 开关模式电源
DGD0227典型配置
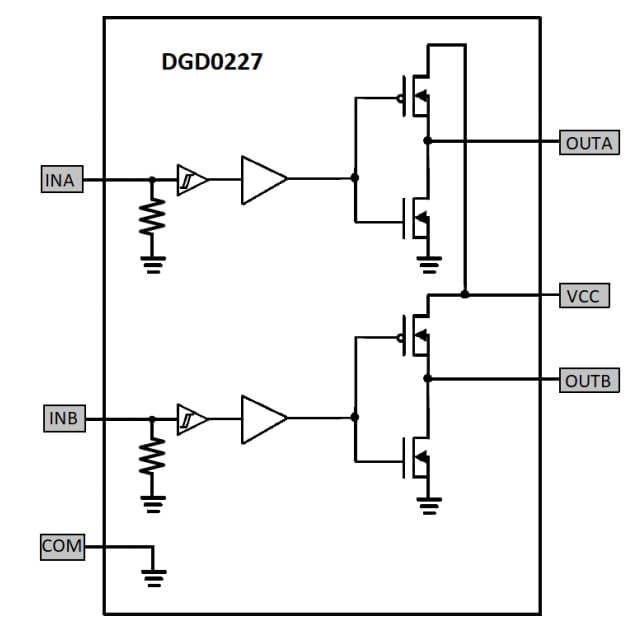
DGD0227功能框图
其他资源
发布日期: 2019-01-15
| 更新日期: 2023-07-12

