Diodes Inc. LXB0104Q双向电平转换器采用TSSOP-14和U-QFN1720-12(CJ型)封装,其中U-QFN1720-12(CJ型)尺寸仅为1.7mmx2.0mmx0.55mm。该封装尺寸非常适合小型便携式电子设备、推挽应用和空间受限的环境。器件额定工作温度范围为-40°C至+125°C。
特性
- 双向电压转换,适用于推挽应用
- AEC-Q100等级:1级
- 测量范围 -40 °C 至 +125 °C
- 全温度范围上下转换
- 最大数据速率 ≤ 110Mbps,CL = 15pF、3.3V至5.0 V
- 最大数据速率 ≤ 65Mbps,CL = 15pF、1.8V至3.3V
- 最大数据速率 ≤ 30Mbps,CL = 15pF、1.2V至1.8V
- IOFF电路提供局部掉电工作模式
- OE引脚支持端口之间的高阻抗
- 自动方向检测,无需控制引脚
- ESD保护能力超越JESD 22标准
- 端口B:7000V(HBM),端口A:3000V(HBM)
- 1500 V CDM (C101)
- 闭锁电流超过100 mA,符合JESD 17标准
- 无铅表面处理;符合RoHS标准
- 绿色器件,不含卤素和锑
- 适用于需要特定变更控制的汽车应用
应用
- GPIO、SPI、SDIO、UART
- 汽车数字集群
- 汽车信息娱乐
- 汽车ADAS
- 汽车远程信息处理
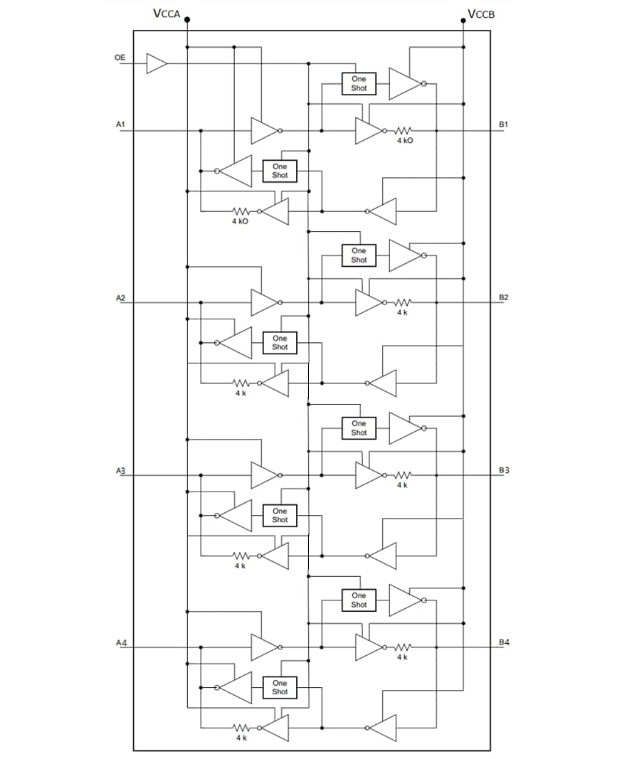
方框图
引脚分配
发布日期: 2025-10-21
| 更新日期: 2025-11-05

