特性
- 最大电源电压:3.6V
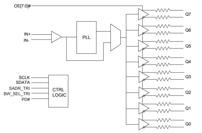
- 高速电流转向逻辑 (HCSL) 输入:100MHz,并可通过SMBus支持50MHz或125MHz
- 带片上终端的4、6和8路差分低功耗HCSL输出
- 单独输出使能
- 针对各输出的可编程转换速率和输出振幅
- 差分输出阻断,直至锁定PLL
- 搭接引脚或SMBus进行配置
- 支持耐受3.3V电压的SMBus接口
- 极低抖动输出:
- 差分逐周期抖动:<50ps
- 差分输出至输出偏移:<20ps
- 符合PCIe Gen1/Gen2/Gen3/Gen4要求
- 封装(无铅和绿色环保):
- 32引脚5mm x 5mm TQFN
- 16引脚TQFN封装
8输出PCIe时钟缓冲器框图
View Results ( 4 ) Page
| 物料编号 | 数据表 | 描述 | 输出端数量 | 传播延迟—最大值 | 最大输出频率 |
|---|---|---|---|---|---|
| PI6CB18401ZHIEX | ![]() |
时钟缓冲器 时钟缓冲器 W-QFN5050-32 T&R 2.5K | 4 Output | 4.5 ns | 100 MHz |
| PI6C5946004ZHIEX | ![]() |
时钟缓冲器 6GHz/12Gbps Clock Data Fanout Buffer | 4 Output | 400 ps | 6 GHz |
| PI6CB18601ZLAIEX | ![]() |
时钟缓冲器 时钟缓冲器 W-QFN5050-40 T&R 3.5K | 6 Output | 4.5 ns | 100 MHz |
| PI6CB18801ZLIEX | ![]() |
时钟缓冲器 时钟缓冲器 V-QFN6060-48 T&R 3K | 8 Output | 4.5 ns | 100 MHz |
发布日期: 2018-08-31
| 更新日期: 2022-09-30


