特性
- 高带宽 (1GHz) 和低导通电阻 (5Ω) USB开关
- 1Ω低导通电阻音频开关
- 支持USB 2.0的USB高速 (480Mbps) 和全速 (12Mbps) 信号传输功能
- 支持USB Type-C音频附件模式,符合USB Type-C电缆和连接器规范1.1
- 低失真(THD:-110dB(20Hz至20kHz),2.0VRMS,32Ω负载)
- 负信号±3V处理能力
- 可编程软启动和软停止时间,消除直流耦合音频信号的咔嗒/爆裂声
- 高关断隔离:-85dB (30kHz)
- 高串扰抑制:-85dB (30kHz)
- 自主麦克风和接地线开关
- 用于麦克风和音频的独立接地开关,可最大限度地减少串扰
- 边带开关
- I2C控制
- 1.7V至5.5V的宽VDD范围
- HBM模式下的ESD为4kV,CDM模式下的ESD为1kV
- 扩展工业温度范围:-40°C至85°C
- 完全无铅,完全符合RoHS指令
- 不含卤素和锑
- TQFN-24封装 (3mm x 3mm)
应用
- 笔记本电脑
- PC
- 手机
- PDA
- MP3播放器
- 便携式仪器仪表
应用概述
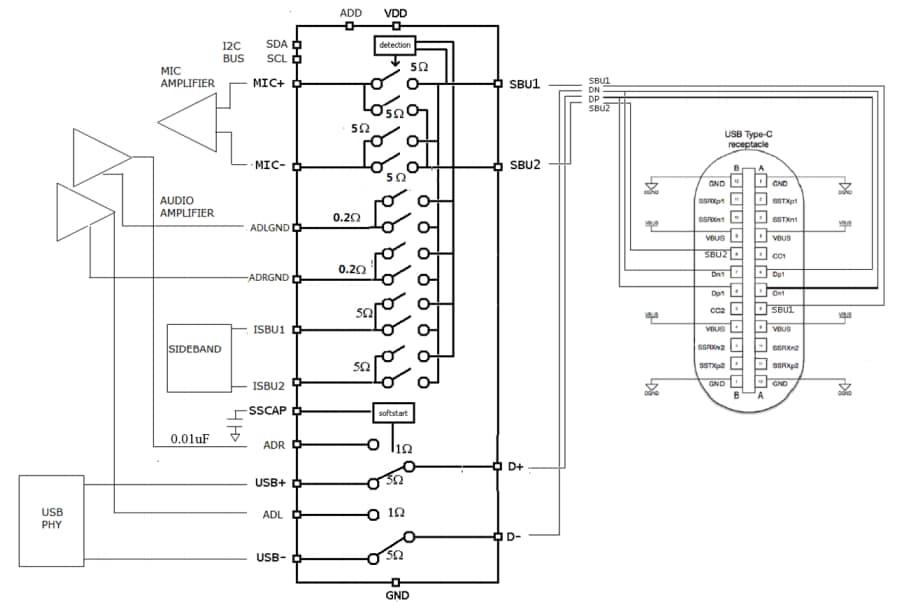
框图
典型应用电路
发布日期: 2019-01-14
| 更新日期: 2023-07-11

