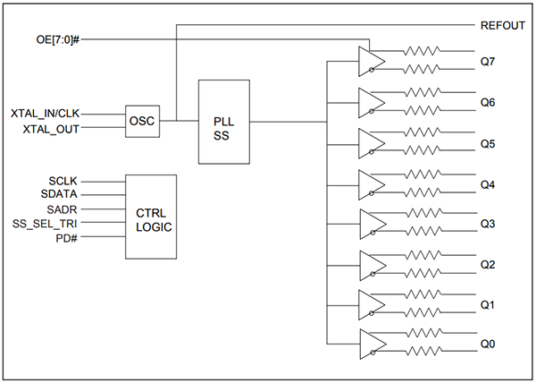
PI6CG338Q时钟发生器采用Diodes专有的PLL设计,可实现超低抖动,满足PCIe Gen 1至Gen 6的要求。用户可以通过SMBUS轻松配置具有各种转换率和振幅选项的器件。该器件还支持可选的扩频选项,从而为各种应用降低EMI。
特性
- 3.3V电源电压
- 25MHz晶振/CMOS输入
- 带片上终端的8路差分低功耗HCSL输出
- 单独输出使能
- CMOS参考输出
- 针对各输出的可编程转换速率和输出振幅
- 差分输出阻断,直到锁定PLL
- 差分输出上的可选扩频:0%、-0.25%或-0.5%
- 搭接引脚或SMBus进行配置
- 差分输出至输出偏移:<60ps
- 符合PCIe Gen 1/Gen 2/Gen 3/Gen 4/Gen 5/Gen 6标准
- 超低抖动输出
- PCIe 6.0公共时钟 (RMS) 抖动:<0.04ps
- 差分逐周期抖动:<50ps
- 支持汽车2级
- 完全无铅,完全符合RoHS指令
- 无卤、无锑的绿色器件
- 适合用于需要特定变化控制的汽车应用;符合AEC-Q100标准,支持PPAP功能,由IATF 16949认证的工厂制造
- 48触点、6mm × 6mm (ZLW) 封装
规范
- 电源电压范围
- 3.3135V至3.465V
- 输出:1.0V至3.465V
- 参考输出:3.135V至3.465V
- 电源电流范围,100MHz时所有输出均激活
- 32mA(最大值),20mA(典型值)
- 25mA(最大模拟),22mA(典型值)
- 34mA(最大输出),29mA(典型值)
- 电源局域网唤醒电流
- 1mA(最大模拟),0.5mA(典型值)
- 6mA(最大值),3mA(典型值)
- 0.1mA(最大输出),0.04mA(典型值)
- 电源关断电流
- 1mA(最大模拟),0.5mA(典型值)
- 2mA(最大值),1mA(典型值)
- 0.1mA(最大输出),0.05mA(典型值)
- 输入
- 内部上拉/下拉电阻:120kΩ(典型值)
- 内部电容:8pF(典型值)
- 最大引脚电感:7nH
- 晶体
- 基本工作模式
- 频率:25MHz(典型值)
- 最大等效串联电阻:50Ω
- 典型负载电容:8pF
- 最大分流电容:7pF
- 最大驱动电平:200µW
- SMBus
- 标称总线电压范围:2.7V至3.6V
- 最小灌电流:4mA
- 最大输出低电压:0.4V
- 最大工作频率:500kHz
- 最大上升时间:1000ns
- 最大下降时间:300ns
- 扩频调制频率范围:30kHz至33kHz
- LVCMOS直流特性
- 输入电流范围:±5µA至±50µA
- CMOS输出阻抗:20Ω(典型值)
- 输入电容:1.5pF至5pF
- LVCMOS交流特性
- 输入频率:25MHz(典型值)
- 最大上升/下降时间:5ns
- 最大时钟稳定时间:1ms(典型值为0.75ms)
- 温度
- 环境温度范围:-40°C至105°C
- 最大结温:+125°C
- 最大ESD保护 (HBM):2000V
框图
发布日期: 2023-10-18
| 更新日期: 2023-10-26

