Diodes Incorporated ZXBM5408Q有刷直流电机驱动器(带伺服控制)
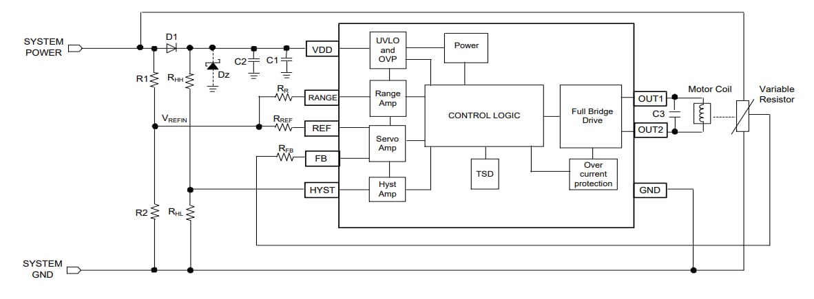
Diodes Incorporated ZXBM5408Q有刷直流电机驱动器(带伺服控制)是一款受保护的半桥驱动器,设计用于具有直流有刷电机负载的汽车手动大灯光束控制和工业伺服控制应用。集成ZXBM5408Q输出级包括大电流、低RDS(on) 半桥MOSFET,可最大限度地提高效率。该驱动器集成了电压和温度补偿内部基准电压源、放大器和输出半桥电源开关(具有低RDS(on))。该集成简化了电路设计,最大限度地减少了外部元件数量。ZXBM5408Q驱动器具有较高灵活性,伺服控制正向和反向迟滞、死区和角度放大可通过外部电阻器轻松编程。Diodes Inc ZXBM5408Q有刷直流电机驱动器通过停止电机并断开输出级,提供故障状态保护,有助于保护电机线圈,例如RANGE输入对GND短路、电源短路或电线断开。
在电源欠压和过压的情况下,ZXBM5408Q可关断输出驱动,防止线圈上出现过压应力。过流保护监控输出电流,通过定期重试来关闭输出级,以保护线圈免受器件断开的影响。此外,过热关断可为驱动器提供热保护。
ZXBM5408Q采用行业标准PDIP-8(A1型)和SO-14(A1型)封装。该驱动器符合汽车应用类AEC-Q100 1级标准,支持PPAP。
特性
- 伺服直流电机驱动器
- 宽工作电压范围:8V至18V
- 内置半桥,具有低RDSON电阻
- 输出驱动电流能力:0.8A(峰值电流为1.5A)
- 故障保护 - RANGE对GND短路、电源短路或电线断开
- 过压和欠压关断
- 过流保护
- 热保护
- 绿色模压,采用PDIP-8(A1型)和SO-14(A1型)封装
- 完全无铅,完全符合RoHS指令
- 无卤、无锑的“绿色器件”
应用
- 汽车大灯位置伺服电机
- 8V/12V/18V伺服直流电机
典型应用
框图
引脚分配
发布日期: 2022-10-10
| 更新日期: 2022-11-02
