APK43070中的紧凑型降压控制器是一款恒频同步降压控制器,具有高驱动能力、优化的死区时间和高栅极驱动电压,专为覆盖中高功率充电应用而设计。它集成了用于外部N-MOSFET的驱动器。为了进一步提高转换器的功率效率,支持VIN直流电源直通模式。
Diodes Inc. APK43070集成了SBC/PD3.1解码功能,占位面积小,PCB尺寸减小,适用于高功率密度充电应用。利用同步降压调节MOS开关,可以节省每个端口的PD输出MOS开关,从而降低物料清单成本。
为了支持更高的电源效率、极低的待机功耗以及无需外部MCU即可实现多端口应用的智能电源共享,APK43070集成了I2C接口、主/从寻址方案和中断/唤醒机制。通过电阻器选择,最多支持8个端口地址。
由于高压过程,APK43070为CC1/CC2引脚至30V提供VBUS短路保护。同时,APK43070还提供了全面的安全保护,包括过电压保护 (OVP)、过电流保护 (OCP)、过温度保护 (OTP) 和连接器湿度检测。
特性
- 单芯片降压控制器,带有USB Type-C PD3.1源控制器
- 支持USB PD3.1 EPR/AVS高达28V,SPR/PPS高达21V
- 通过GPIO3可配置125kHz/250kHz/400kHz开关工作频率。
- 支持通过I2C进行功率共享
- 支持高达95%(125kHz时)和90%(400kHz时)的高PWM占空因数
- 4 V 到 36 V 的工作输入电压范围
- 支持旁路模式,以提高输出功率效率
- 频率抖动以抑制EMI
- 支持传统的BC1.2和QC3.0/4/4+/5.0
- 支持通过TS引脚进行外部OTP设置
- 在不使用外部MCU的情况下,支持通过I2C在多达8个端口上实现拓扑结构
- 支持多达8个I2C地址,并由GPIO1分配
- 支持由GPIO2选择的PDO配置文件
- 支持极低的待机功耗 (<120µa)>120µa)>
- 支持全面的保护方案(过压保护、欠压保护、过流保护和过热保护),以及连接器的湿度检测和自动恢复功能
- VBUS对CC1/CC2和DP/DN引脚高达30V的短路保护
- 无铅,符合RoHS标准
- 绿色器件,不含卤素和锑
- 适用于需要特定变更控制的汽车应用(即,符合AEC-Q100/101/104/200标准的零件,具有PPAP功能,在通过IATF 16949认证的工厂中制造)
应用
- 极低待机功耗多端口Type-C PD3.1 SPR和EPR充电器、适配器、电源板或电源集线器
- 通用充电应用Type-C PD3.1 SPR和EPR充电器
- 为便携式户外发电机的高压电池充电的Type-C PD3.1 SPR和EPR
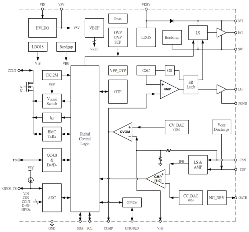
方框图
其他资源
发布日期: 2025-10-07
| 更新日期: 2026-02-18

