特性
- 玻璃钝化裸片结构,实现高可靠性
- 低正向压降
- 柔性超快开关能力
- 无铅表面处理,符合RoHS标准
- 器件底部大面积裸露散热片可提供优异散热性能,支持大功率耗散
- 绿色器件,无卤素、无锑
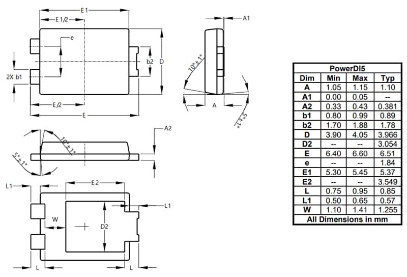
规范
- PowerDI5 封装
- 模压塑料封装材料,采用绿色模塑复合物,可燃性分类等级为UL 94V-0
- 根据J-STD-020标准,潮湿敏感度等级(MSL)为1
- 端子采用铜引线框架,表面为哑光锡退火处理,焊接性能符合MIL-STD-202标准方法208的规定
- 重量约为0.096克
电路图
包装外形
发布日期: 2025-09-23
| 更新日期: 2025-10-13

