特性
- 双输入多路复用器具有2x/4x低功耗HCSL输出,支持片上端接
- 可选输出阻抗:85Ω或100Ω
- 扩频容限
- 单独输出使能
- 掉电容限输入
- 灵活的电源启动排序
- 输入时钟丢失时自动输出时钟锁定
- 附加相位抖动
- PCIe 5.0 - 6fs RMS典型值
- PCIe 6.0 -4fs RMS典型值
- DB2000QL -10fs RMS典型值
- 3.3 V 电源电压
- 封装
- 28引脚,4mm x 4mm,VQFN (ZLF)(4个输出)(PI6CB332204)
- 20引脚,3mm x 3mm,WQFN (ZNA)(2个输出)(PI6CB332202)
- 无铅,符合 RoHS 标准
- 无卤素无锑的绿色设备
- 适用于需要特定变更控制的汽车应用(即符合AEC-Q100/101/104/200标准的合格部件、具备PPAP能力,并在通过IATF 16949认证的设施中制造的零件)
应用
- 数据中心和服务器
- 存储器系统
- 网络设备
- 汽车电子设备
资源
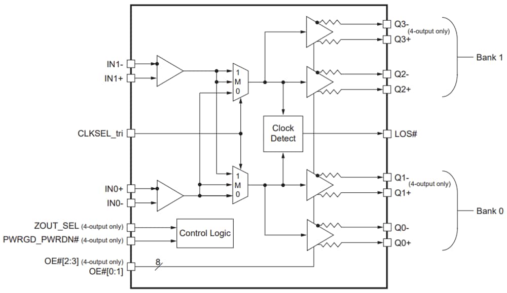
方框图
发布日期: 2025-10-07
| 更新日期: 2025-11-13

