e-peas AEM00920 Ultra-Efficient Energy PMIC
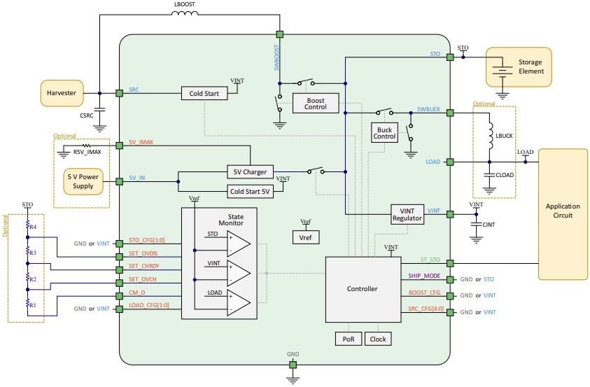
e-peas AEM00920 Ultra-Efficient Energy Power Management Integrated Circuit (PMIC) extracts DC power from a harvesting source to store energy in rechargeable battery and supply application circuit. The AEM00920 energy manager features an external 5V charging input for power supplies and CC/CV charging with a configurable current limit in CC mode (maximum 135mA). This device provides a fast charging alternative with no source available for a long time and a selectable output voltage of 2.2V, 2.5V, or 2.8V. The AEM00920 energy manager incorporates a unique cold-start circuit that allows it to operate with an input voltage as low as 275mV (minimum 5µW power). The AEM00920 energy manager is available in a QFN 24-pin package and is ideal for remote controls and wireless keyboards.Features
- Cold start from 275mV/5µW input to startup at ultra-low power from harvesting source input
- Constant input voltage mode:
- Optimized for constant voltage PV cells
- Selectable input regulation voltage
- Up to 110mA current extracted from the harvester
- Selectable over-discharge and overcharge protection to support various types of rechargeable batteries (LiC, Li-ion, and LiPo)
- Regulated output for application circuit:
- Buck regulator with efficiency above 90%
- Selectable output voltage (2.2V, 2.5V, or 2.8V)
- Output current up to 135mA
- System configuration by GPIO- All settings are dynamically configurable through the GPIO
- External 5V charging capability:
- Extra charging input for 5V power supplies
- CC/CV charging with a configurable current limit in CC mode (maximum 135mA)
- Provides a fast-charging alternative when no source is available for a long time
Applications
- Remote controls
- Wireless keyboards
Functional Block Diagram
Application Circuit Diagram
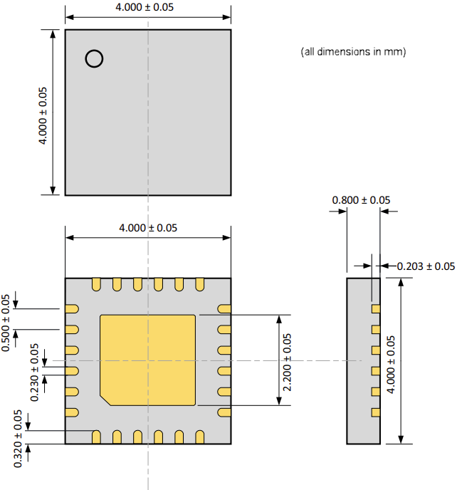
Dimension Diagram
发布日期: 2025-01-30
| 更新日期: 2025-02-25
