E-Switch SAV4 Anti-Vandal Switches
E-Switch SAV4 Anti-Vandal Switches utilize the LS series snap action switch with a 15A high current rating and come pre-mounted on a snap action switch. These switches feature a 3V to 220V customizable illumination voltage, 10,000 cycles of electrical life, 3.5N actuation force, and 100MΩ insulation resistance @500VDC. The SAV4 switches also feature a 19mm diameter panel cutout, 1500VAC dielectric strength for 60 seconds, and multiple illumination voltage options. These switches are IP67 ingress protection rated and RoHS compliant. The SAV4 switches are used in security devices, medical equipment, industrial controls, vending machines, and outdoor kiosks.Features
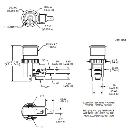
- 19mm diameter panel cutout
- Multiple LED color options
- 3V to 220V customizable illumination voltage
- IP67 ingress protection rated
- Momentary and latching functions
- Dot, ring, power, or ring/power illumination options
Applications
- Vending machines
- Security devices
- Medical equipment
- Outdoor kiosks
- Industrial controls
Specifications
- 15A, 125VAC/250VAC electrical rating
- 1500VAC dielectric strength for 60 seconds
- 10,000 cycles of electrical life
- 100mΩ maximum contact resistance
- 100MΩ insulation resistance @500VDC
- 3.5N actuation force
- 1mm to 10mm panel thickness
Mechanical Diagram
Videos
View Results ( 12 ) Page
| 物料编号 | 数据表 | 照明颜色 | 盖颜色 | 致动器材料 | 外壳材料 |
|---|---|---|---|---|---|
| SAV4F1BSS344 | ![]() |
Blue | Silver | Stainless Steel | Stainless Steel |
| SAV4F1BSS314 | ![]() |
Red | Silver | Stainless Steel | Stainless Steel |
| SAV4F13SS331 | ![]() |
Green | Silver | Stainless Steel | Stainless Steel |
| SAV4F1BSS531 | ![]() |
Green | Silver | Stainless Steel | Stainless Steel |
| SAV4F1311217 | ![]() |
Red | Black | Black Anodized | Black Anodized |
| SAV4F13112G7 | ![]() |
Red, Green | Black | Black Anodized | Black Anodized |
| SAV4F13SS316 | ![]() |
Red | Silver | Stainless Steel | Stainless Steel |
| SAV4F13SS344 | ![]() |
Blue | Silver | Stainless Steel | Stainless Steel |
| SAV4F13SS345 | ![]() |
Blue | Silver | Stainless Steel | Stainless Steel |
| SAV4F13SS555 | ![]() |
Yellow | Silver | Stainless Steel | Stainless Steel |
发布日期: 2023-10-05
| 更新日期: 2023-10-27

