E-T-A Circuit Breakers XR38 Appliance Inlet Modules
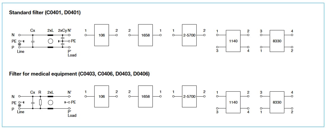
E-T-A Circuit Breakers XR38 Appliance Inlet Modules are designed for circuit breakers with a 3/8" threadneck (106/1140/1658/2-5700/8330 circuit breakers). The E-T-A XR38 modules combine up to three functions in one component: a C14 inlet plug, resettable overcurrent protection, and a line filter. Users can select appropriate line filters for the use of the appliance inlet module in medical equipment applications according to IEC/EN60601-1. The series offers two standard versions: version C without an actuator guard (reset button protrudes from the module) and version D with an actuator guard (reset button completely recessed). These modules feature screw-type mounting from the front or rear.Features
- Appliance inlet module for circuit breakers with 3/8" threadneck
- Combines up to three functions in one component
- C14 inlet plug
- Resettable overcurrent protection
- Line filter
- Two versions
- Version C without actuator guard (reset button protrudes from the module)
- Version D with actuator guard (reset button completely recessed)
Applications
- Medical apparatuses
- Laboratory equipment
- Professional kitchen equipment
- 3D printers
Specifications
- 250VAC rated voltage
- 10A (IEC/EN) or 15A (UL/CSA) current rating
- -25°C to +60°C operating temperature range
- C14 inlet plug
- 106, 1140, 1658, 2-5700, 8330 circuit breakers for equipment protection
Schematic Diagrams
发布日期: 2021-09-28
| 更新日期: 2025-06-05
