ECS ECS-5032MV SMD MultiVolt™ Crystal Oscillators
ECS ECS-5032MV SMD MultiVolt™ Crystal Oscillators are miniature HCMOS oscillators in a 5.0mm x 3.2mm x 1.3mm ceramic package. These crystal oscillators feature a frequency range of 0.75MHz to 160MHz, a multi-volt capability of 1.6V to 3.6V, and a 7ns rise and fall time. They exhibit a low phase jitter of 1pS. Typical ECS ECS-5032MV SMD MultiVolt Crystal Oscillators applications include low power/portable, industrial, and the Internet of Things (IoT).Features
- 5.0mm x 3.2mm footprint
- 1.6V to 3.6V multi-volt capability
- Extended temperature range
- Wide supply voltage
- 0.75MHz to 160MHz frequency range
- 7ns rise/fall time
- Low phase jitter
- RoHS compliant
Applications
- Low power/portable
- Industrial
- IoT
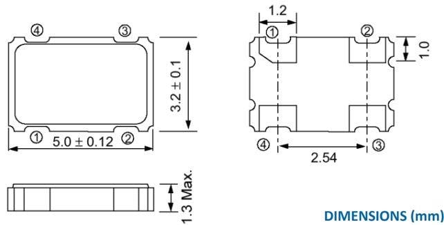
Mechanical Dimensions
发布日期: 2019-03-18
| 更新日期: 2023-03-23
