Texas Instruments TAA3020EVM-PDK评估模块

Texas Instruments TAA3020EVM-PDK产品开发套件 (PDK) 设计用于快速、轻松地演示TAA3020的功能,这是一款立体声通道、高性能音频ADC。TAA3020设计用于语音激活系统、专业麦克风、音频会议、便携式计算、通信和娱乐应用。

TI TAA3020EVM-PDK产品开发套件与AC-MB搭配使用,AC-MB是一款灵活的主板,可为评估模块提供电源、控制和数字音频数据。

特性

  • TAA3020 双通道ADC的完整评估套件
  • 低成本立体声ADC动态范围为104dB
  • 直接访问数字音频信号和控制接口,以便于终端系统集成
  • 提供板载麦克风,用于语音记录测试
  • 与PC的USB连接可提供电源、控制和音频流数据,以便于评估

应用

  • 智能扬声器
  • IP网络摄像头
  • 专业麦克风和无线系统
  • 视频会议系统

套件内容

  • TAA3020设备
  • TAA3020 EVM/子板
  • AC-MB控制器/主板

TAA3020EVM-PDK & AC-MB板

Texas Instruments TAA3020EVM-PDK评估模块

AC-MB音频串行接口路由

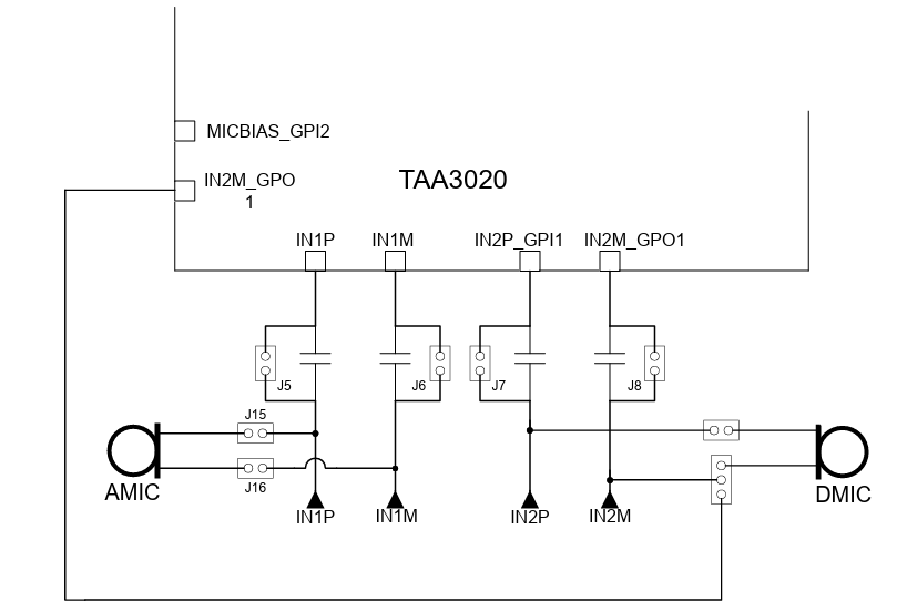
应用电路图 - Texas Instruments TAA3020EVM-PDK评估模块

输入架构

位置电路 - Texas Instruments TAA3020EVM-PDK评估模块
发布日期: 2025-02-18 | 更新日期: 2025-04-23