Texas Instruments TAx5x42EVM-K 评估模块(EVM)
Texas Instruments TAx5x42EVM-K评估模块(EVM)可帮助用户测试各种TI音频编解码器、ADC和DAC的能力。TAC5242是一款双通道硬件控制高性能编解码器。TAC5142是一款双通道硬件控制编解码器。TAD5242是一款双通道硬件控制高性能ADC。TAA5242是一款双通道硬件控制高性能DAC,TAD5142是一款双通道硬件控制DAC。该评估模块与AC-MB搭配使用。后者是一种柔性主板,可为评估模块提供电源、控制和数字音频数据。Texas Instruments TAC5242、TAC5142、TAA5242、TAD5242或TAD5142器件的配置可通过多个多功能引脚(MD0-MD6)完成。特性
- 高性能单声道/立体声编解码器,动态范围为120dB(DAC)和115dB(ADC)
- 标准性能单声道/立体声编解码器,动态范围为106dB(DAC)和102dB(ADC)
- 提供板载麦克风,用于语音记录测试
- 直接访问数字音频信号和控制接口,以便于终端系统集成
- 与PC的USB连接可提供电源、控制和音频流数据,以便于评估
套件内容
- TAC5242、TAC5142、TAA5242、TAD5242或TAD5142器件
- TAx5x42EVM子板
- AC-MB控制器/主板
应用
- 影音接收器
- 视频会议系统
- IP网络摄像头
- 扬声器
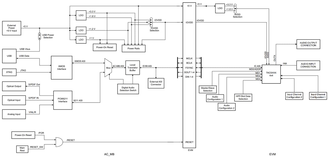
框图
板布局
发布日期: 2024-12-16
| 更新日期: 2025-02-27
