Azoteq IQS7221E ProxFusion® Sensor IC
Azoteq IQS7221E ProxFusion® Sensor IC is a fusion device with an on-axis orientation designed for rotation and angle sensing applications. This sensor IC includes a ProxFusion channel for integrated UI applications, quadrature output to replace product drop-in, and virtual freewheel UI for more intuitive scrolling. The IQS7221E sensor IC operates from a 2V to 3.5V voltage range. This sensor IC is available in WLCSP18 (1.62mm x 1.62mm x 0.5mm) and QFN20 (3mm x 3mm x 0.5mm) packages. Typical applications include scroll wheels for computer peripherals, mechanical and optical rotary encoder replacements, adjustable knobs, mouse wheels, and motor encoders.Features
- Highly flexible ProxFusion® device
- Hall effect angle sensor:
- 4 Hall plates
- Supports on-axis orientation
- 16-bit absolute angle output
- <1° resolution, calculated on-chip
- Relative/absolute rotation angle
- Detect movement and the direction of movement
- Wide operational range
- Automatic Tuning Implementation (ATI)
- Automatic synchronization with mechanical ratchets
- ProxFusion® channel:
- Supports one self-capacitive or mutual-capacitive sensor
- Ultra-low power wake-up on touch
- Full Auto-Tuning Implementation (ATI) with adjustable sensitivity
- Sensor flexibility:
- Internal voltage regulator
- No external components are required for Hall measurements
- I2C interface with IRQ line
- Design simplicity and support:
- PC software for debugging and configuring for optimal performance
- Magnet and mechanical constraints, guidelines, and best practices
- Multiple integrated UIs:
- Proximity and touch events on the ProxFusion® channel
- Proximity wake-up from ultra-low power mode
- Hysteresis interval mode
- Event modes with configurable angle-change, interval, or touch /prox events
- Quadrature standalone output for Hall measurements
- Virtual freewheel UI
- 2V to 3.5V supply voltage range
- Small packages:
- WLCSP18 (1.62mm x 1.62mm x 0.5mm), interleaved 0.4mm × 0.6mm ball pitch
- QFN20 (3mm x 3mm x 0.5mm), 0.4 mm pitch
Applications
- Scroll-wheels for computer peripherals
- Mouse wheels
- Applications requiring flexible UI options with sensor fusion
- Mechanical and optical rotary encoder replacements
- Adjustment and control knobs
- Motor encoders
Block Diagram
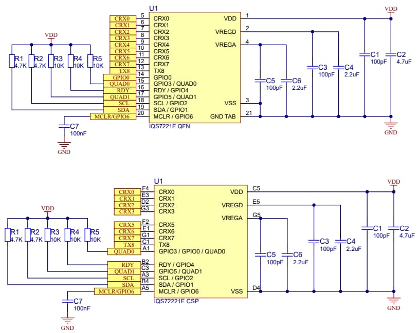
IQS7221E QFN and IQS7221E CSP Schematic Representation
Additional Resources
Videos
发布日期: 2024-02-06
| 更新日期: 2024-05-23
